LEMON Manuals: Even more car manuals for everyone: 1960-2025
Home >> Ford >> 2008 >> Explorer 4.0 E, AWD >> Repair and Diagnosis >> Accessories & Equipment >> Accessories Control Systems >> Component Testing >> Component Testing >> Master window adjust switch >> Schematic
April 5, 2026: LEMON Manuals is launched! Read the announcement.

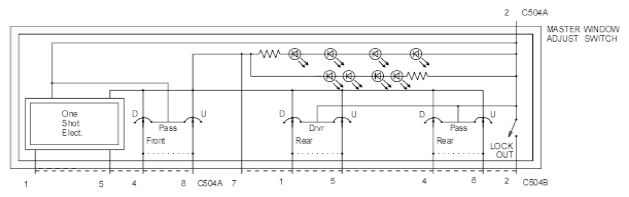
Master window adjust switch: Schematic

Fig 1: Master Window Adjust Switch - Schematic
G05600541Courtesy of FORD MOTOR CO.