LEMON Manuals: Even more car manuals for everyone: 1960-2025
Home >> Ford >> 2008 >> Fusion S, Automatic >> Repair and Diagnosis >> Accessories & Equipment >> Accessories Control Systems >> Component Testing >> Component testing >> Window control switches >> Schematic
April 5, 2026: LEMON Manuals is launched! Read the announcement.

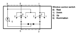
Window control switches: Schematic

Fig 1: Window Control Switches - Schematic
G05604968Courtesy of FORD MOTOR CO.