LEMON Manuals: Even more car manuals for everyone: 1960-2025
Home >> Ford >> 2008 >> Fusion S, Standard >> Repair and Diagnosis >> Accessories & Equipment >> Accessories Control Systems >> Component Testing >> Component testing >> Multifunction switch >> Schematic
April 5, 2026: LEMON Manuals is launched! Read the announcement.

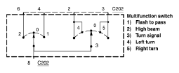
Multifunction switch: Schematic

Fig 1: Multifunction Switch - Schematic
G05604950Courtesy of FORD MOTOR CO.