LEMON Manuals: Even more car manuals for everyone: 1960-2025
Home >> Ford >> 2008 >> Mustang Base, 2D Convertible, Standard >> Repair and Diagnosis (Single Page) >> Accessories & Equipment >> Accessories Control Systems >> Component Testing >> Component Testing >> Main light switch >> Schematic
April 5, 2026: LEMON Manuals is launched! Read the announcement.

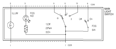
Main light switch: Schematic

Fig 1: Main Light Switch - Schematic
G05604986Courtesy of FORD MOTOR CO.