LEMON Manuals: Even more car manuals for everyone: 1960-2025
Home >> Ford >> 2009 >> Edge SE, FWD >> Repair and Diagnosis >> External Pages >> Different car >> Section 1601 (Anti-Lock Brake System - Vehicle Dynamic Systems) >> Diagnostic Tests >> Anti-Lock Control >> Pinpoint Tests >> Pinpoint Test D: DTC B1484 - Brake Pedal Input Open Circuit
April 5, 2026: LEMON Manuals is launched! Read the announcement.

Pinpoint Test D: DTC B1484 - Brake Pedal Input Open Circuit

WARNING: This page is about a different car, the 2009 Mercury Grand Marquis and 2009 Ford Crown Victoria. However, it is still accessible from the selected car via links, so may be relevant.

Refer to appropriate SYSTEM WIRING DIAGRAMS article, Vehicle Dynamic Systems for schematic and connector information.

Normal Operation 

Fused battery voltage is sent to the brake pedal position (BPP) switch from battery junction box (BJB) fuse 14 (20A) along circuit 1119 (RD). When the brake pedal is pressed, the BPP switch closes and the voltage is then supplied to the ABS module along circuit 1651 (WH/RD). The ABS module is provided a ground along circuit 57 (BK).

This pinpoint test is intended to diagnose the following:

PINPOINT TEST D: DTC B1484 - BRAKE PEDAL INPUT OPEN CIRCUIT 

NOTE: The Flex Probe Kit must be used for all test connections. Use of standard multi-meter probes may damage wiring terminals.
  1. D1 CHECK THE STOPLAMP OPERATION 
    • Press the brake pedal.
    • Do the stoplamps illuminate? 
    1. YES  : Go to  D2.
    2. NO  : REFER to EXTERIOR LIGHTING article to diagnose the stoplamps.
  2. D2 CHECK THE ABS MODULE BRAKE ON/OFF (BOO) PID (BOO_ABS) 
    • Connect the diagnostic tool.
    • Key in ON position.
    • Enter the following diagnostic mode on the diagnostic tool: ABS DataLogger
    • Monitor the BOO_ABS PID while pressing and releasing the brake pedal.
    • Does the ABS module BOO_ABS PID indicate ON with the brake pedal pressed and OFF with the brake pedal released? 
    1. YES  : CLEAR the DTCs. REPEAT the self-test. If DTC B1484 is retrieved, INSTALL a new ABS module. REFER to Anti-Lock Brake System (ABS) Module . REPEAT the self-test.
    2. NO  : Go to  D3.
  3. D3 CHECK THE VOLTAGE TO THE ABS MODULE 
    NOTE: Make sure the brake pedal is released for this step.
    NOTE: To access the ABS module connector, remove the air cleaner assembly.
    • Disconnect: ABS Module C135
    • Press and hold the brake pedal.
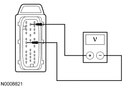
    • Fig 1: Checking ABS Module Circuit Voltage
      GF0014026Courtesy of FORD MOTOR CO.
    • Measure the voltage between ABS module C135-6, circuit 1651 (WH/RD), harness side and the ABS module C135-12, circuit 57 (BK), harness side.
    • Is the voltage greater than 10 volts? 
    1. YES  : INSTALL a new ABS module. REFER to Anti-Lock Brake System (ABS) Module . TEST the system for normal operation.
    2. NO  : VERIFY BJB fuse 14 (20A) is OK. If OK, REPAIR circuit 1651 (WH/RD). CLEAR the DTCs. TEST the system for normal operation.