LEMON Manuals: Even more car manuals for everyone: 1960-2025
Home >> Ford >> 2009 >> Escape Base, 2.5 7, AWD, Automatic >> Repair and Diagnosis (Single Page) >> Restraints >> Air Bag, SRS >> Supplemental Restraint System >> Diagnosis And Testing >> Symptom Chart >> Pinpoint Test - Occupant Classification System Module (OCSM) >> Pinpoint Test AC: DTC B2290 >> Pinpoint Test Ac: DTC B2290
April 5, 2026: LEMON Manuals is launched! Read the announcement.

Pinpoint Test Ac: DTC B2290

WARNING: Never probe the electrical connectors on air bag, Safety Canopy® or side air curtain modules. Failure to follow this instruction may result in the accidental deployment of these modules, which increases the risk of serious personal injury or death.
WARNING: Never probe the electrical connectors on safety belt buckle/retractor pretensioners or adaptive load limiting retractors. Failure to follow this instruction may result in the accidental deployment of the safety belt pretensioners or adaptive load limiting retractors, which increases the risk of serious personal injury or death.
NOTE: Use the correct probe adapter(s) from the Flex Probe Kit when taking measurements. Failure to use the correct probe adapter(s) may damage the connector. Most faults are due to connector and/or wiring concerns. Carry out a thorough inspection and verification before proceeding with the pinpoint test.
NOTE: The Supplemental Restraint System (SRS) must be fully operational and free of faults before releasing the vehicle to the customer.
NOTE: SRS components should only be disconnected or reconnected when instructed to do so within a pinpoint test step. Failure to follow this instruction may result in incorrect diagnosis of the SRS.
NOTE: A production OCS system allows the disconnect of the electrical connector from the OCSM. An OCS system service kit has the OCSM electrical connector glued to the module. It cannot and should not be disconnected or altered.
  1. AC1 RETRIEVE OCSM DTCs 
    • Enter the following diagnostic mode on the scan tool: Self Test - OCSM.
    • Enter the following diagnostic mode on the scan tool: DataLogger - OCSM - View and Record All 2290 Fault PIDs. - Refer to PID list in Normal Operation to view 2290 fault PIDs.
    • Do any on-demand 2290 fault PIDs indicate a fault? 
    • Yes:  This fault cannot be cleared until it is corrected and the DTC is no longer retrieved on-demand during self-test.

      Vehicles with a production OCS system,  GO to AC2  .

      Vehicles with an OCS system service kit  , for 2290___12___OD (Passenger Seat OCS Sensor No. 1 Circuit Short to Battery), 2290___13___OD (Passenger Seat OCS Sensor No. 1 Circuit Short to Ground) or 2290___15___OD (Passenger Seat OCS Sensor No. 1 Internal Fault), INSPECT the seat wiring harness for damage and REPAIR as needed. If OK, INSTALL a new OCS system service kit. REFER to OCCUPANT CLASSIFICATION SENSOR - SERVICE KIT . GO to  AC11.

    • No:  This is an intermittent fault when present as a CMDTC only. The fault condition is not present at this time. GO to  AC13.
  2. AC2 CHECK SEAT WIRING AND CONNECTORS 
    • Yes:  DEPOWER the SRS and REPAIR the seat connectors and wiring as needed. GO to  AC14.
    • No:  For fault PID 2290___15___OD (Passenger Seat OCS Sensor No. 1 Internal Fault), GO to  AC3.

      For fault PID 2290___13___OD (Passenger Seat OCS Sensor No. 1 Circuit Short to Ground), GO to  AC10.

      For fault PID 2290___12___OD (Passenger Seat OCS Sensor No. 1 Circuit Short to Battery), GO to  AC11.

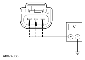
  3. AC3 CHECK OCS PRESSURE SENSOR CIRCUITS FOR A SHORT TO VOLTAGE 
    • Disconnect: OCS Pressure Sensor C3042.
    • Disconnect: OCSM C3285.
    • Repower the SRS. Do not  prove out the SRS at this time. Refer to SUPPLEMENTAL RESTRAINT SYSTEM (SRS) DEPOWERING AND REPOWERING .
    • Ignition ON.
    • Measure the voltage between OCS pressure sensor:
      • C3042-1, circuit CR152 (GY/YE), harness side and ground.
      • C3042-2, circuit VR223 (BU/WH), harness side and ground.
      • C3042-3, circuit RR152 (YE/VT), harness side and ground.
      Fig 1: Checking OCS Pressure Sensor Circuits For Short To Voltage
      G06100115Courtesy of FORD MOTOR CO.
    • Is voltage present on any circuit? 
    • Yes:  REPAIR circuit CR152 (GY/YE), RR152 (YE/VT) or VR223 (BU/WH). GO to  AC14.
    • No:  GO to AC4  .
  4. AC4 CHECK OCS PRESSURE SENSOR CIRCUITS FOR A SHORT TO GROUND 
    • Ignition OFF.
      WARNING: Turn the ignition OFF and wait one minute to deplete the backup power supply. Failure to follow this instruction may result in serious personal injury or death in the event of an accidental deployment.
    • Measure the resistance between OCS pressure sensor:
      • C3042-1, circuit CR152 (GY/YE), harness side and ground.
      • C3042-2, circuit VR223 (BU/WH), harness side and ground.
      • C3042-3, circuit RR152 (YE/VT), harness side and ground.
      Fig 2: Checking OCS Pressure Sensor Circuits For Short To Ground
      G06100116Courtesy of FORD MOTOR CO.
    • Are the resistances greater than 10,000 ohms? 
    • Yes:  GO to AC5  .
    • No:  REPAIR circuit CR152 (GY/YE), RR152 (YE/VT) or VR223 (BU/WH). GO to  AC14.
  5. AC5 CHECK THE PRESSURE SENSOR SIGNAL CIRCUIT FOR AN OPEN 
    • Measure the resistance between OCSM C3285-3, circuit CR152 (GY/YE), harness side and OCS pressure sensor C3042-1, circuit CR152 (GY/YE), harness side.
      Fig 3: Measuring Resistance Between OCSM C3285-3 And OCS Pressure Sensor C3042-1
      G06100117Courtesy of FORD MOTOR CO.
    • Is the resistance less than 0.5 ohm? 
    • Yes:  GO to AC6  .
    • No:  REPAIR circuit CR152 (GY/YE). GO to  AC14.
  6. AC6 CHECK PRESSURE SENSOR RETURN CIRCUIT FOR AN OPEN 
    • Measure the resistance between OCSM C3285-5, circuit RR152 (YE/VT), harness side and OCS pressure sensor C3042-3, circuit RR152 (YE/VT), harness side.
      Fig 4: Measuring Resistance Between OCSM C3285-5 And OCS Pressure Sensor C3042-3
      G06100118Courtesy of FORD MOTOR CO.
    • Is the resistance less than 0.5 ohm? 
    • Yes:  GO to AC7  .
    • No:  REPAIR circuit RR152 (YE/VT). GO to  AC14.
  7. AC7 CHECK PRESSURE SENSOR VREF CIRCUIT FOR AN OPEN 
    • Measure the resistance between OCSM C3285-4, circuit VR223 (BU/WH), harness side and OCS pressure sensor C3042-2, circuit VR223 (BU/WH), harness side.
      Fig 5: Measuring Resistance Between OCSM C3285-4 And OCS Pressure Sensor C3042-2
      G06100119Courtesy of FORD MOTOR CO.
    • Is the resistance less than 0.5 ohm? 
    • Yes:  GO to AC8  .
    • No:  REPAIR circuit VR223 (BU/WH). GO to  AC14.
  8. AC8 CHECK FOR A SHORT BETWEEN OCS PRESSURE SENSOR CIRCUITS 
    • Measure the resistance between the OCS pressure sensor:
      • C3042-1, circuit CR152 (GY/YE), harness side and C3042-2, circuit VR223 (BU/WH), harness side.
      • C3042-1, circuit CR152 (GY/YE), harness side and C3042-3, circuit RR152 (YE/VT), harness side.
      • C3042-2, circuit VR223 (BU/WH), harness side and C3042-3, circuit RR152 (YE/VT), harness side.
      Fig 6: Identifying C3042-1 Connector
      G06100120Courtesy of FORD MOTOR CO.
    • Are the resistances greater than 10,000 ohms? 
    • Yes:  GO to AC9  .
    • No:  REPAIR circuit CR152 (GY/YE), RR152 (YE/VT) and/or VR223 (BU/WH). GO to  AC14.
  9. AC9 CHECK OCS SYSTEM 
    NOTE: Make sure all OCS system components, restraint system components, sensor electrical connectors and the RCM electrical connectors are connected before carrying out the self-test. If not, DTCs will be recorded.
    • Install a new OCS system service kit. Refer to OCCUPANT CLASSIFICATION SENSOR - SERVICE KIT .
    • Ignition ON.
    • Enter the following diagnostic mode on the scan tool: OCS System Reset.
    • WARNING: Make sure the front passenger seat repair is complete, the seat and all attached components (head restraint, seat side shield, etc.) are correctly assembled, and the seat is correctly installed to the vehicle before carrying out the System Reset. Failure to follow these instructions may result in incorrect operation of the occupant classification sensor (OCS) system and increases the risk of serious personal injury or death in a crash.
      NOTE: To prevent system failure, it is necessary to carry out the Occupant Classification Sensor (OCS) system reset when a front passenger seat cushion is disassembled, a new trim cover installed or an OCS system service kit is installed. A scan tool is used to carry out the OCS system reset command.
      NOTE: To prevent system failure, the following precautions must be taken before carrying out the Occupant Classification Sensor (OCS) system reset:
      • Make sure the voltage to the Occupant Classification System Module (OCSM) is above 8 volts and less than 18 volts.
      • Make sure the OCS system is not at a temperature below 6°C (42°F) or above 36°C (97°F) when initiating the OCS system reset process. If the vehicle has been exposed to extreme cold or hot temperatures, the vehicle must be exposed and kept at a temperature within the limits, 6°C to 36°C (42°F to 97°F) for a minimum of 30 minutes.
      • Make sure nothing is present on the passenger seat before carrying out the OCS system reset and nothing is placed on the seat during the process.
      • Make sure a minimum 8-second time period has passed after cycling the ignition switch ON before the carrying out the OCS system reset process.

      Carry out the OCS system reset.

    • If the first system reset attempt was unsuccessful, carry out a thorough inspection of the following and repair any concerns found.
      • OCS system connector and wiring for damage
      • Pressure sensor hose for kinks and/or damage
      • Seat-related wiring harness and body wiring harness terminals and connectors for damage
    • Carry out a second OCS system reset. If the second attempt is unsuccessful, install a new OCS system service kit. Refer to OCCUPANT CLASSIFICATION SENSOR - SERVICE KIT .
    • Ignition OFF.
    • Ignition ON.
    • Enter the following diagnostic mode on the scan tool: Self Test - OCSM.
    • Enter the following diagnostic mode on the scan tool: DataLogger - OCSM - View and Record All 2290 Fault PIDs.
      • Refer to PID list in Normal Operation to view 2290 fault PIDs.
    • Do any on-demand DTC 2290 fault PIDs indicate a fault or was DTC C1941 retrieved on-demand during self-test? 
  10. AC10 CHECK OCS PRESSURE SENSOR CIRCUITS FOR A SHORT TO GROUND 
    • Ignition OFF.
      WARNING: Turn the ignition OFF and wait one minute to deplete the backup power supply. Failure to follow this instruction may result in serious personal injury or death in the event of an accidental deployment.
    • Disconnect: OCS Pressure Sensor C3042.
    • Disconnect: OCSM C3285.
    • Measure the resistance between OCS pressure sensor:
      • C3042-1, circuit CR152 (GY/YE), harness side and ground.
      • C3042-2, circuit VR223 (BU/WH), harness side and ground.
      • C3042-3, circuit RR152 (YE/VT), harness side and ground.
      Fig 7: Checking OCS Pressure Sensor Circuits For Short To Ground
      G06100116Courtesy of FORD MOTOR CO.
    • Are the resistances greater than 10,000 ohms? 
    • Yes:  GO to  AC12.
    • No:  REPAIR circuit CR152 (GY/YE), RR152 (YE/VT) or VR223 (BU/WH). GO to  AC14.
  11. AC11 CHECK OCS PRESSURE SENSOR CIRCUITS FOR A SHORT TO VOLTAGE 
    • Disconnect: OCS Pressure Sensor C3042.
    • Disconnect: OCSM C3285.
    • Ignition ON.
    • Measure the voltage between OCS pressure sensor:
      • C3042-1, circuit CR152 (GY/YE), harness side and ground.
      • C3042-2, circuit VR223 (BU/WH), harness side and ground.
      • C3042-3, circuit RR152 (YE/VT), harness side and ground.
      Fig 8: Checking OCS Pressure Sensor Circuits For Short To Voltage
      G06100115Courtesy of FORD MOTOR CO.
    • Is voltage present on any circuit? 
    • Yes:  REPAIR circuit CR152 (GY/YE), RR152 (YE/VT) or VR223 (BU/WH). GO to  AC14.
    • No:  GO to AC12  .
  12. AC12 CONFIRM THE OCS FAULT 
    NOTE: Make sure all OCS system components, restraint system components, sensor electrical connectors and the RCM electrical connectors are connected before carrying out the self-test. If not, DTCs will be recorded.
    • Ignition OFF.
    • Depower the SRS. Refer to SUPPLEMENTAL RESTRAINT SYSTEM (SRS) DEPOWERING AND REPOWERING .
    • Prior to reconnecting any previously disconnected SRS component:
      • inspect connector(s) (including any inline connectors) for pushed-out, loose or spread terminals and loose or frayed wire connections at terminals.
      • inspect wire harness for any damage, pinched, cut or pierced wires.
      • inspect C2041a and C2041b connector position assurance lever/lock for correct operation. Refer to RESTRAINTS CONTROL MODULE (RCM) .
      • repair any concerns found. Refer to SYSTEM WIRING DIAGRAMS - ESCAPE or SYSTEM WIRING DIAGRAMS - MARINER , Connector Repair Procedures for schematic and connector information.
    • Connect: OCSM C3285 (if disconnected previously).
    • Connect: OCS Pressure Sensor C3042.
    • Repower the SRS. Do not  prove out the SRS at this time. Refer to SUPPLEMENTAL RESTRAINT SYSTEM (SRS) DEPOWERING AND REPOWERING .
    • Enter the following diagnostic mode on the scan tool: Self Test - OCSM.
    • Enter the following diagnostic mode on the scan tool: DataLogger - OCSM - View and Record All 2290 Fault PIDs. - Refer to PID list in Normal Operation to view 2290 fault PIDs.
    • Does the original on-demand DTC 2290 fault PID indicate a fault? 
    • Yes:  INSTALL a new OCS system service kit. REFER to OCCUPANT CLASSIFICATION SENSOR - SERVICE KIT . GO to  AC14.
    • No:  In the process of diagnosing the fault, the fault condition has become intermittent. Do not install any new SRS components at this time. SRS components should only be installed when directed to do so in the pinpoint test  . GO to  AC14.
  13. AC13 CHECK FOR AN INTERMITTENT FAULT 
    • Enter the following diagnostic mode on the scan tool: Self Test - OCSM.
    • Enter the following diagnostic mode on the scan tool: DataLogger - OCSM - View and Record All 2290 Fault PIDs.
    • Do any on-demand 2290 fault PIDs indicate a fault? 
    • Yes:  This is a hard fault. The fault condition is now present. This fault cannot be cleared until it is corrected and the DTC is no longer retrieved on-demand during self-test.

      CHECK for causes of the intermittent fault at or near the affected SRS component connector. REPAIR any intermittent wiring, terminal or connector concerns found.

      If an intermittent concern was  found and repaired, GO to  AC14.

      If an intermittent concern was not  found and repaired, USE the fault PIDs recorded and GO to the appropriate PINPOINT TEST - Restraints Control Module (RCM) .

      Vehicles with an OCS system service kit  , for fault PID 2290___12___OD (Passenger Seat OCS Sensor No. 1 Circuit Short to Battery), 2290___13___OD (Passenger Seat OCS Sensor No. 1 Circuit Short to Ground) or 2290___15___OD (Passenger Seat OCS Sensor No. 1 Internal Fault), INSPECT the seat wiring harness for damage and REPAIR as needed. If OK, INSTALL a new OCS system service kit. REFER to OCCUPANT CLASSIFICATION SENSOR - SERVICE KIT . GO to  AC11.

    • No:  The fault condition is not present at this time.

      CHECK for causes of the intermittent fault. ATTEMPT to recreate the hard fault by flexing the wire harness and cycling the ignition frequently. ACTIVATE other systems in the same wire harness. Do not install any new SRS components at this time. SRS components should only be installed when directed to do so in the pinpoint test  . REPAIR any intermittent wiring, terminal or connector concerns found. GO to AC14  .

  14. AC14 CHECK FOR ADDITIONAL SRS DTCs 
    • Ignition OFF.
      WARNING: Turn the ignition OFF and wait one minute to deplete the backup power supply. Failure to follow this instruction may result in serious personal injury or death in the event of an accidental deployment.
    • Reconnect all SRS components (if previously disconnected).
    • If previously directed to depower the SRS, repower the SRS. Do not  prove out the SRS at this time. Refer to SUPPLEMENTAL RESTRAINT SYSTEM (SRS) DEPOWERING AND REPOWERING .
    • Ignition ON.
    • Enter the following diagnostic mode on the scan tool: Self Test - Restraints.
      NOTE: When selecting Restraints from the Self Test menu, DTCs will be retrieved from the RCM and OCSM.
    • Are any RCM and/or OCSM DTCs retrieved? 
    • Yes:  Do not clear any DTCs until all DTCs have been resolved. GO to the DTC CHARTS  for pinpoint test direction.
    • No:  CLEAR all RCM and OCSM DTCs. PROVE OUT the SRS. Repair is complete. RETURN the vehicle to the customer.