LEMON Manuals: Even more car manuals for everyone: 1960-2025
Home >> Ford >> 2009 >> Expedition 4WD >> Repair and Diagnosis >> Accessories & Equipment >> Accessories Control Systems >> Component Testing >> Introduction >> Adjustable pedal switch - without memory >> Schematic
April 5, 2026: LEMON Manuals is launched! Read the announcement.

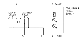
Adjustable pedal switch - without memory: Schematic

Fig 1: Adjustable Pedal Switch - Without Memory Schematic
G05753254Courtesy of FORD MOTOR CO.