LEMON Manuals: Even more car manuals for everyone: 1960-2025
Home >> Ford >> 2009 >> Expedition RWD >> Repair and Diagnosis >> Accessories & Equipment >> Accessories Control Systems >> Component Testing >> Introduction >> Adjustable pedal switch - with memory >> Schematic
April 5, 2026: LEMON Manuals is launched! Read the announcement.

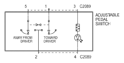
Adjustable pedal switch - with memory: Schematic

Fig 1: Adjustable Pedal Switch - With Memory Schematic
G05753256Courtesy of FORD MOTOR CO.