LEMON Manuals: Even more car manuals for everyone: 1960-2025
Home >> Ford >> 2009 >> Explorer 2WD V8-4.6L >> Repair and Diagnosis >> Heating and Air Conditioning >> Cabin Temperature Sensor / Switch >> Testing and Inspection
April 5, 2026: LEMON Manuals is launched! Read the announcement.

Cabin Temperature Sensor / Switch: Testing and Inspection




Climate Control System

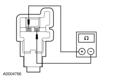
Component Tests

Temperature Sensor - In-Vehicle