LEMON Manuals: Even more car manuals for everyone: 1960-2025
Home >> Ford >> 2009 >> Explorer 4.6 8, AWD >> Repair and Diagnosis (Single Page) >> Accessories & Equipment >> Accessories Control Systems >> Component Testing >> Component Testing >> Overhead console switch assembly >> Schematic
April 5, 2026: LEMON Manuals is launched! Read the announcement.

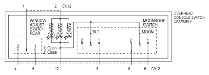
Overhead console switch assembly: Schematic

Fig 1: Overhead Console Switch Assembly Schematic
G05775249Courtesy of FORD MOTOR CO.