LEMON Manuals: Even more car manuals for everyone: 1960-2025
Home >> Ford >> 2009 >> Fusion S, Standard >> Repair and Diagnosis >> Accessories & Equipment >> Accessories Control Systems >> Component Testing >> Component Testing >> Power door lock switch >> Schematic
April 5, 2026: LEMON Manuals is launched! Read the announcement.

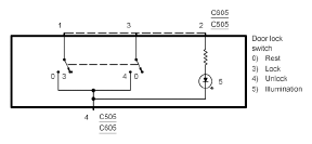
Power door lock switch: Schematic

Fig 1: Power Door Lock Switch Schematic
G05777144Courtesy of FORD MOTOR CO.