LEMON Manuals: Even more car manuals for everyone: 1960-2025
Home >> Ford >> 2009 >> Fusion SEL, 2.3 Z, Standard >> Repair and Diagnosis (Single Page) >> Accessories & Equipment >> Accessories Control Systems >> Component Testing >> Component Testing >> Window control switch, passenger side - MKZ >> Window switch - Schematic Terminals
April 5, 2026: LEMON Manuals is launched! Read the announcement.

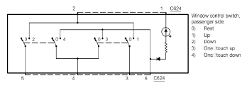
Window switch - Schematic Terminals

Fig 1: Window Control Switch, Passenger Side - MKZ Schematic
G05777138Courtesy of FORD MOTOR CO.