LEMON Manuals: Even more car manuals for everyone: 1960-2025
Home >> Ford >> 2009 >> Ranger 2D Pickup, 2.3 D, Standard >> Repair and Diagnosis >> External Pages >> Different car >> Section 109 (Module Communications Network System) >> Description & Operation >> Communications Network >> Notes
April 5, 2026: LEMON Manuals is launched! Read the announcement.

Communications Network: Notes

WARNING: This page is about a different car, the 2008 Ford Ranger. However, it is still accessible from the selected car via links, so may be relevant.
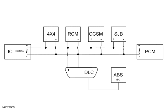
NOTE: The smart junction box (SJB) is also known as the generic electronic module (GEM).

Vehicle communication utilizes both International Standards Organization (ISO) 9141 and controller area network (CAN) communications. ISO 9141 is used for diagnostic use only, and CAN is used for many modules to communicate with each other on a common network. CAN in-vehicle networking, is a method for transferring data among distributed electronic modules via a serial data bus. Without serial networking, intermodule communication requires dedicated, point to point wiring resulting in bulky, expensive, complex, and difficult to install wiring harnesses. Applying a serial data network reduces the number of wires, combining the signals on a single network. Information is sent to individual control modules that control each function.

The vehicle has 2 module communication networks:

Both networks are connected to the data link connector (DLC). This makes diagnosis and testing of these systems easier by allowing one scan tool to be able to diagnose and control any module on both networks from one connector. The DLC can be found under the instrument panel.

Fig 1: Identifying Network Topology
GF0047414Courtesy of FORD MOTOR CO.
Module Name Network Type Termination Module
ABS module ISO N/A
Instrument cluster (IC) HS-CAN Yes
4X4 control module (if equipped) HS-CAN No
Occupant classification system module (OCSM) HS-CAN No
PCM HS-CAN Yes
Restraints control module (RCM) HS-CAN No
SJB HS-CAN No