LEMON Manuals: Even more car manuals for everyone: 1960-2025
Home >> Ford >> 2009 >> Ranger 2D Pickup, 2.3 D, Standard >> Repair and Diagnosis >> External Pages >> Different car >> Section 109 (Module Communications Network System) >> Diagnostic Tests >> Communications Network >> Pinpoint Tests >> Pinpoint Test D: The Smart Junction Box (SJB) Does Not Respond To The Scan Tool
April 5, 2026: LEMON Manuals is launched! Read the announcement.

Pinpoint Test D: The Smart Junction Box (SJB) Does Not Respond To The Scan Tool

WARNING: This page is about a different car, the 2008 Ford Ranger. However, it is still accessible from the selected car via links, so may be relevant.

Refer to appropriate SYSTEM WIRING DIAGRAMS article, Module Communications Network for schematic and connector information.

Refer to appropriate SYSTEM WIRING DIAGRAMS article, Power Distribution/SJB for schematic and connector information.

Normal Operation 

The SJB communicates with the scan tool through the high speed controller area network (HS-CAN). Circuits VDB04 (WH/BU) (HS-CAN +) and VDB05 (WH) (HS-CAN -) provide the network connection to the SJB. The SJB shares the HS-CAN with the PCM, the restraints control module (RCM), the occupant classification system module (OCSM), the 4X4 control module, and the instrument cluster (IC). Voltage is supplied through circuit SBB05 (GY/RD), and ground is provided through circuit GD174 (BK/WH).

This pinpoint test is intended to diagnose the following:

PINPOINT TEST D: THE SMART JUNCTION BOX (SJB) DOES NOT RESPOND TO THE SCAN TOOL 

NOTE: Use the correct probe adapter(s) when taking measurements. Failure to use the correct probe adapter(s) may damage the connector.
  1. D1 CHECK THE SJB FUSE FOR AN OPEN 
    • Disconnect: SJB Fuse 11 (10A)
    • Inspect the fuse for an open.
    • Is the fuse open? 
    1. YES  : Go to  D4.
    2. NO  : Go to  D2.
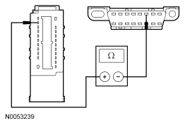
  2. D2 CHECK THE SJB GROUND CIRCUIT FOR AN OPEN 
    • Key in OFF position.
    • Disconnect: SJB C2280c
    • Fig 1: Measuring Resistance Between SJB C2280c-1, GD174 (BK/WH), Harness Side & Ground
      GF0011147Courtesy of FORD MOTOR CO.
    • Measure the resistance between the SJB C2280c-1, circuit GD174 (BK/WH), harness side and ground.
    • Is the resistance less than 5 ohms? 
    1. YES  : Go to  D3.
    2. NO  : REPAIR the circuit. CLEAR the DTCs. REPEAT the network test with the scan tool.
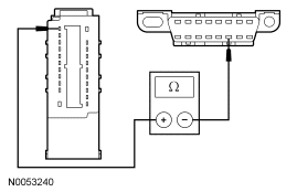
  3. D3 CHECK THE HS-CAN CIRCUITS BETWEEN THE DATA LINK CONNECTOR (DLC) AND THE SJB FOR AN OPEN 
    • Disconnect: SJB C2280d
    • Fig 2: Measuring Resistance Between SJB C2280d-20, VDB04 (WH/BU) & DLC C251-6, VDB04 (WH/BU)
      GF0011148Courtesy of FORD MOTOR CO.
    • Measure the resistance between the SJB C2280d-20, circuit VDB04 (WH/BU), harness side and the DLC C251-6, circuit VDB04 (WH/BU), harness side.
    • Fig 3: Measuring Resistance Between SJB C2280d-21, VDB05 (WH) & DLC C251-14, VDB05 (WH)
      GF0011149Courtesy of FORD MOTOR CO.
    • Measure the resistance between the SJB C2280d-21, circuit VDB05 (WH), harness side and the DLC C251-14, circuit VDB05 (WH), harness side.
    • Are the resistances less than 5 ohms? 
    1. YES  : Go to  D4.
    2. NO  : REPAIR the circuit. CLEAR the DTCs. REPEAT the network test with the scan tool.
  4. D4 CHECK FOR CORRECT SJB OPERATION 
    • Disconnect all the SJB connectors.
    • Check for:
      • corrosion
      • damaged pins
      • pushed-out pins
    • Connect all the SJB connectors and make sure they seat correctly.
    • Operate the system and verify the concern is still present.
    • Is the concern still present? 
    1. YES  : INSTALL a new SJB. REFER to MULTIFUNCTION ELECTRONIC MODULES article. CLEAR the DTCs. REPEAT the network test with the scan tool.
    2. NO  : The system is operating correctly at this time. The concern may have been caused by a loose or corroded connector. CLEAR the DTCs. REPEAT the network test with the scan tool.