LEMON Manuals: Even more car manuals for everyone: 1960-2025
Home >> Ford >> 2010 >> Crown Victoria Base, 4.6 W >> Repair and Diagnosis (Single Page) >> Brakes >> Traction Control >> Anti-Lock Brake System - Vehicle Dynamic Systems >> Removal And Installation >> Anti-Lock Brake System (ABS) Module >> Notes
April 5, 2026: LEMON Manuals is launched! Read the announcement.

Anti-Lock Brake System (ABS) Module: Notes

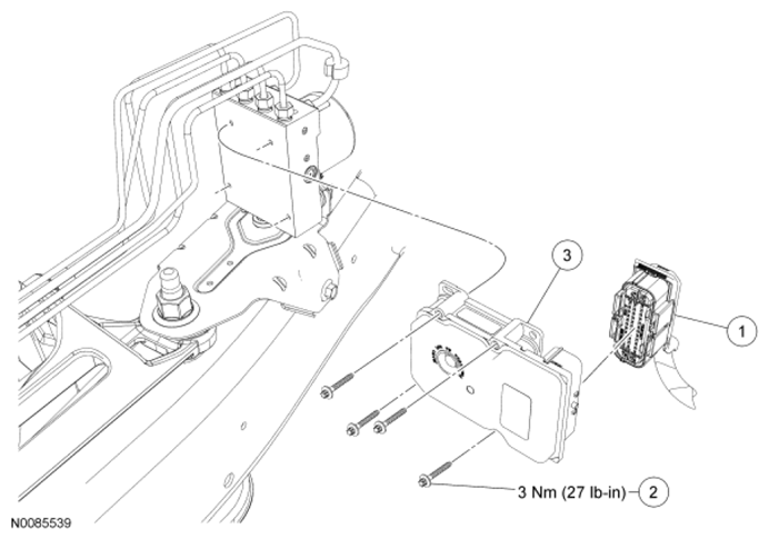
Fig 1: Anti-Lock Brake System (ABS) Module Replacement Components With Torque Specifications
G06563949Courtesy of FORD MOTOR CO.
ITEM DESCRIPTION

Item Part Number Description
1 - ABS module electrical connector (part of 14290)
2 2C331 ABS module screw (4 required)
3 2C219 ABS module