LEMON Manuals: Even more car manuals for everyone: 1960-2025
Home >> Ford >> 2010 >> Escape Base, 2.5 7, AWD, Automatic >> Repair and Diagnosis (Single Page) >> Accessories & Equipment >> Accessories Control Systems >> Accessory Controls - Component Testing - (Except Hybrid) >> Component Testing >> Window control switch, left rear (14489) >> Schematic
April 5, 2026: LEMON Manuals is launched! Read the announcement.

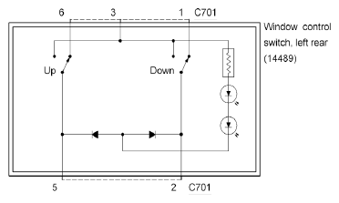
Window control switch, left rear (14489): Schematic

Fig 1: Window Control Switch, Left Rear (14489) Schematic
G06287412Courtesy of FORD MOTOR CO.