LEMON Manuals: Even more car manuals for everyone: 1960-2025
Home >> Ford >> 2010 >> Escape Base, 2.5 7, AWD, Standard >> Repair and Diagnosis (Single Page) >> Accessories & Equipment >> Accessories Control Systems >> Accessory Controls - Component Testing - (Except Hybrid) >> Component Testing >> Roof opening panel control switch >> Schematic
April 5, 2026: LEMON Manuals is launched! Read the announcement.

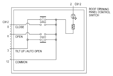
Roof opening panel control switch: Schematic

Fig 1: Roof Opening Panel Control Switch Schematic
G06287420Courtesy of FORD MOTOR CO.