LEMON Manuals: Even more car manuals for everyone: 1960-2025
Home >> Ford >> 2010 >> F 150 2WD V8-5.4L Flex Fuel >> Repair and Diagnosis >> Powertrain Management >> Computers and Control Systems >> Information Bus >> Testing and Inspection >> Pinpoint Tests >> Pinpoint Test J: The HVAC Module Does Not Respond To The Scan Tool
April 5, 2026: LEMON Manuals is launched! Read the announcement.

Pinpoint Test J: The HVAC Module Does Not Respond To The Scan Tool




Communications Network

Pinpoint Tests

Pinpoint Test J: The HVAC Module Does Not Respond To The Scan Tool

Refer to Wiring Diagram Set 14, Module Communications Network for schematic and connector information. Diagrams By Number

Refer to Wiring Diagram Set 54, Manual Climate Control System for schematic and connector information. Diagrams By Number

Refer to Wiring Diagram Set 55, Automatic Climate Control System for schematic and connector information. Diagrams By Number

Normal Operation

The HVAC module communicates with the scan tool through the Medium Speed Controller Area Network (MS-CAN).

This pinpoint test is intended to diagnose the following:

- Fuse
- Wiring, terminals or connectors
- ABS module



PINPOINT TEST J: THE HVAC MODULE DOES NOT RESPOND TO THE SCAN TOOL

NOTICE: Use the correct probe adapter(s) when making measurements. Failure to use the correct probe adapter(s) may damage the connector.

NOTE: Failure to disconnect the battery when instructed will result in false resistance readings. Refer to Battery.

-------------------------------------------------
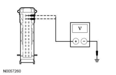
J1 CHECK THE HVAC MODULE VOLTAGE SUPPLY CIRCUITS FOR AN OPEN


- Ignition OFF.
- Disconnect: HVAC Module C294a (Electronic Manual Temperature Control (EMTC)), C2109a (Dual Automatic Temperature Control (DATC) without Navigation), C228a (DATC with Navigation).
- Ignition ON.
- For EMTC, measure the voltage between the HVAC module C294a-26, circuit SBP15 (WH/RD), harness side and ground.




- For DATC with navigation, measure the voltage between the HVAC module C228a-13, circuit SBP15 (WH/RD), harness side and ground.




- For DATC without navigation, measure the voltage between the HVAC module C2901a-26, circuit SBP15 (WH/RD), harness side and ground.




- Is the voltage greater than 10 volts?

Yes
GO to J2.

No
VERIFY the Smart Junction Box (SJB) fuse 15 (10A) is OK. If OK, REPAIR the circuit in question. If not OK, REFER to the Wiring Diagrams to identify the possible causes of the circuit short. CLEAR the DTCs. REPEAT the network test with the scan tool. Diagrams By Number

-------------------------------------------------
J2 CHECK THE HVAC MODULE GROUND CIRCUIT FOR AN OPEN


- Ignition OFF.
- Disconnect: Negative Battery Cable.
- For EMTC, measure the resistance between the HVAC module C294a-10, circuit GD133 (BK), harness side and ground.




- For DATC with navigation, measure the voltage between the HVAC module C228a-23, circuit GD133 (BK), harness side and ground.




- For DATC without navigation, measure the voltage between the HVAC module C2901a-10, circuit GD133 (BK), harness side and ground.




- Is the resistance less than 5 ohms?

Yes
GO to J3.

No
REPAIR the circuit. CONNECT the negative battery cable. CLEAR the DTCs. REPEAT the network test with the scan tool.

-------------------------------------------------
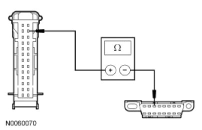
J3 CHECK THE MS-CAN (+) CIRCUIT BETWEEN THE HVAC MODULE AND THE DLC FOR AN OPEN


- For EMTC, measure the resistance between the HVAC module C294a-12, circuit VDB06 (GY/OG), harness side and the DLC C251-3, circuit VDB06 (GY/OG), harness side.




- For DATC with navigation, measure the resistance between the HVAC module C228a-25, circuit VDB06 (GY/OG), harness side and the DLC C251-3, circuit VDB06 (GY/OG), harness side.




- For DATC without navigation, measure the resistance between the HVAC module C2109a-12, circuit VDB06 (GY/OG), harness side and the DLC C251-3, circuit VDB06 (GY/OG), harness side.




- Are the resistances less than 5 ohms?

Yes
CONNECT the negative battery cable. GO to J4.

No
REPAIR the circuit in question. CONNECT the negative battery cable. CLEAR the DTCs. REPEAT the network test with the scan tool.

-------------------------------------------------
J4 CHECK THE MS-CAN (-) CIRCUIT BETWEEN THE HVAC MODULE AND THE DLC FOR AN OPEN


- For EMTC, measure the resistance between the HVAC module C294a-13, circuit VDB07 (VT/OG), harness side and the DLC C251-11, circuit VDB07 (VT/OG), harness side.




- For DATC with navigation, measure the resistance between the HVAC module C228a-26, circuit VDB07 (VT/OG), harness side and the DLC C251-11, circuit VDB07 (VT/OG), harness side.




- For DATC without navigation, measure the resistance between the HVAC module C2109a-13, circuit VDB07 (VT/OG), harness side and the DLC C251-11, circuit VDB07 (VT/OG), harness side.




- Are the resistances less than 5 ohms?

Yes
CONNECT the negative battery cable. GO to J5.

No
REPAIR the circuit in question. CONNECT the negative battery cable. CLEAR the DTCs. REPEAT the network test with the scan tool.

-------------------------------------------------
J5 CHECK FOR CORRECT HVAC MODULE OPERATION


- Disconnect all the HVAC module connectors.
- Check for:
- corrosion
- damaged pins
- pushed-out pins
- Connect all the HVAC module connectors and make sure they seat correctly.
- Operate the system and verify the concern is still present.
- Is the concern still present?

Yes
INSTALL a new HVAC module. CLEAR the DTCs. REPEAT the network test with the scan tool.

No
The system is operating correctly at this time. The concern may have been caused by a loose or corroded connector.

-------------------------------------------------