LEMON Manuals: Even more car manuals for everyone: 1960-2025
Home >> Ford >> 2011 >> Edge Limited, FWD >> Repair and Diagnosis >> External Pages >> Different car >> Section 938 (Cruise Control System) >> Diagnostic Tests >> Speed Control >> Pinpoint Tests >> Pinpoint Test F: Flash Code 4 - Vehicle Speed Signal Circuit Failure >> Pinpoint Test F: Flash Code 4 - Vehicle Speed Signal Circuit Failure
April 5, 2026: LEMON Manuals is launched! Read the announcement.

Pinpoint Test F: Flash Code 4 - Vehicle Speed Signal Circuit Failure

WARNING: This page is about a different car, the 2007 Ford Ranger. However, it is still accessible from the selected car via links, so may be relevant.
CAUTION: Use the correct probe adaptor(s) when making measurements. Failure to use the correct probe adaptor(s) may damage the connectors.
  1. F1 CHECK THE SPEEDOMETER OPERATION 
    • Check the speedometer for correct operation by driving the vehicle.
    • Does the speedometer operate correctly? 
    1. YES  : Go to  F2.
    2. NO  : REFER to INSTRUMENT CLUSTER to continue diagnosis of the speedometer.
  2. F2 CHECK CIRCUIT VMCO5 (VT/OG) FOR AN OPEN 
    • Key in OFF position.
    • Disconnect: Speed Control Actuator C122
    • Disconnect: PCM C175b
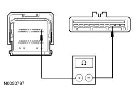
    • Fig 1: Measuring Resistance Between PCM C175B-1, Circuit VMCO5 (VT/OG)
      GF0010778Courtesy of FORD MOTOR CO.
    • Measure the resistance between the PCM C175b-1, circuit VMCO5 (VT/OG), harness side and the speed control actuator C122-3, circuit VMCO5 (VT/OG), harness side.
    • Is the resistance less than 5 ohms? 
    1. YES  : INSTALL a new speed control actuator. REFER to Speed Control Actuator . REPEAT the self-test.
    2. NO  : REPAIR the circuit. REPEAT the self-test.