LEMON Manuals: Even more car manuals for everyone: 1960-2025
Home >> Ford >> 2011 >> Edge SE, AWD >> Repair and Diagnosis >> Accessories & Equipment >> Accessories Control Systems >> Component Testing >> Introduction >> Window adjust switch, passenger side - MKX >> Schematic
April 5, 2026: LEMON Manuals is launched! Read the announcement.

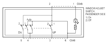
Window adjust switch, passenger side - MKX: Schematic

Fig 1: Window Adjust Switch, Passenger Side (MKX) - Schematic
G07326917Courtesy of FORD MOTOR CO.