LEMON Manuals: Even more car manuals for everyone: 1960-2025
Home >> Ford >> 2011 >> Escape Base, 2.5 7, AWD, Standard >> Repair and Diagnosis >> External Pages >> Different car >> Section 1464 (Cruise Control System - Speed Control) >> Diagnostic Tests >> Speed Control >> Pinpoint Tests >> Pinpoint Test C: DTC P0579 Or DTC P0581 - Speed Control Switch Circuit Failure
April 5, 2026: LEMON Manuals is launched! Read the announcement.

Pinpoint Test C: DTC P0579 Or DTC P0581 - Speed Control Switch Circuit Failure

WARNING: This page is about a different car, the 2010 Lincoln Town Car. However, it is still accessible from the selected car via links, so may be relevant.

Refer to appropriate SYSTEM WIRING DIAGRAMS article, Speed Control for schematic and connector information.

Normal Operation 

The PCM sends a signal through circuit 151 (LB/BK) to the speed control switches, which passes through the clockspring. The signal return is provided through circuit 848 (DG/OG) and the clockspring.

This pinpoint test is intended to diagnose the following:

PINPOINT TEST C: DTC P0579 OR DTC P0581 - SPEED CONTROL SWITCH CIRCUIT FAILURE 

NOTE: Use the correct probe adapter(s) when making measurements. Failure to use the correct probe adapter(s) may damage the connector.
  1. C1 CHECK THE SPEED CONTROL SWITCH 
    • Key in ON position.
    • Enter the following diagnostic mode on the diagnostic tool: PCM DataLogger
    • Press each speed control switch button while monitoring the SCCS (speed control switch) PID.
    • Does the PID value agree with the switch position? 
    1. YES  : The system is operating correctly at this time. CLEAR the DTCs. TEST the system for normal operation.
    2. NO  : If only one switch does not display the correct PID value, INSTALL a new speed control switch. REFER to Speed Control Switch . CLEAR the DTCs. TEST the system for normal operation.

      Otherwise Go to  C2.

  2. C2 CHECK THE SPEED CONTROL SWITCH CIRCUITRY FOR A SHORT TO VOLTAGE 
    • Key in OFF position.
    • Disconnect: PCMC175b
    • Key in ON position.
    • Turn the parking lamps on.
    • Fig 1: Measuring Voltage Between PCM Connector And Ground
      G03883128Courtesy of FORD MOTOR CO.
    • Measure the voltage between the PCM C175b-19, circuit 151 (LB/BK), harness side and ground; and between the PCM C175b-30, circuit 848 (DG/OG), harness side and ground.
    • Is any voltage present? 
    1. YES  : TURN the parking lamps off. Go to  C3.
    2. NO  : TURN the parking lamps off. Go to  C5.
  3. C3 CHECK CIRCUITS 151 (LB/BK) AND 848 (DG/OG) FOR A SHORT TO VOLTAGE 
    • Key in OFF position.
    • Disconnect: Clockspring C218a
    • Key in ON position.
    • Turn the parking lamps on.
    • Fig 2: Measuring Voltage Between PCM Connector And Ground
      G03883128Courtesy of FORD MOTOR CO.
    • Measure the voltage between the PCM C175b-19, circuit 151 (LB/BK), harness side and ground; and between the PCM C175b-30, circuit 848 (DG/OG), harness side and ground.
    • Is any voltage present? 
    1. YES  : REPAIR the circuit in question. CLEAR the DTCs. REPEAT the self-test.
    2. NO  : TURN the parking lamps off. Go to  C4.
  4. C4 CHECK THE CLOCKSPRING FOR A SHORT TO VOLTAGE 
    • Key in OFF position.
    • Connect: Clockspring C218a
    • Remove the driver air bag module. Refer to REMOVAL AND INSTALLATION article.
    • Disconnect: Upper Clockspring C218b
    • Connect the restraint system diagnostic tool (418-F395) to the upper clockspring air bag connector.
    • WARNING: When installing a driver air bag module (soft pack), make sure there are no foreign materials in the steering wheel cavity or in the driver air bag module (soft pack). Failure to follow this instruction may result in the driver air bag module deploying incorrectly and increases the risk of serious personal injury or death in a crash.
    • Connect the battery.
    • Key in ON position.
    • Turn the parking lamps on.
    • Fig 3: Measuring Voltage Between PCM Connector And Ground
      G03883128Courtesy of FORD MOTOR CO.
    • Measure the voltage between the PCM C175b-19, circuit 151 (LB/BK), harness side and ground; and between the PCM C175b-30, circuit 848 (DG/OG), harness side and ground.
    • Is any voltage present? 
    1. YES  : INSTALL a new clockspring. REFER to REMOVAL AND INSTALLATION article. DISCONNECT the battery. INSTALL the driver air bag module. REFER to REMOVAL AND INSTALLATION article. CLEAR the DTCs. REPEAT the self-test.
    2. NO  : INSTALL a new speed control switch(es) harness. REFER to Speed Control Switch . INSTALL the driver air bag module. REFER to REMOVAL AND INSTALLATION article. CLEAR the DTCs. REPEAT the self-test.
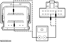
  5. C5 CHECK THE SPEED CONTROL SWITCH CIRCUITRY FOR A SHORT TO GROUND 
    • Key in OFF position.
    • Fig 4: Measuring Resistance Between PCM Connector And Ground
      G03883131Courtesy of FORD MOTOR CO.
    • Measure the resistance between the PCM C175b-19, circuit 151 (LB/BK), harness side and ground; and between the PCM C175b-30, circuit 848 (DG/OG), harness side and ground.
    • Are the resistances greater than 10,000 ohms? 
    1. YES  : Go to  C8.
    2. NO  : Go to  C6.
  6. C6 CHECK THE CLOCKSPRING FOR A SHORT TO GROUND 
    • Remove the driver air bag module. Refer to REMOVAL AND INSTALLATION article.
    • Disconnect: Upper Clockspring C218b
    • Fig 5: Measuring Resistance Between PCM Connector And Ground
      G03883131Courtesy of FORD MOTOR CO.
    • Measure the resistance between the PCM C175b-19, circuit 151 (LB/BK), harness side and ground; and between the PCM C175b-30, circuit 848 (DG/OG), harness side and ground.
    • Are the resistances greater than 10,000 ohms? 
    1. YES  : INSTALL a new speed control switch(es) harness. REFER to Speed Control Switch . INSTALL the driver air bag module. REFER to REMOVAL AND INSTALLATION article. CLEAR the DTCs. REPEAT the self-test.
    2. NO  : Go to  C7.
  7. C7 CHECK CIRCUITS 151 (LB/BK) AND 848 (DG/OG) FOR A SHORT TO GROUND 
    • Disconnect: Clockspring C218a
    • Fig 6: Measuring Resistance Between PCM Connector And Ground
      G03883131Courtesy of FORD MOTOR CO.
    • Measure the resistance between the PCM C175b-19, circuit 151 (LB/BK), harness side and ground; and between the PCM C175b-30, circuit 848 (DG/OG), harness side and ground.
    • Are the resistances greater than 10,000 ohms? 
    1. YES  : INSTALL a new clockspring. REFER to REMOVAL AND INSTALLATION article. INSTALL the driver air bag module. REFER to REMOVAL AND INSTALLATION article. CLEAR the DTCs. REPEAT the self-test.
    2. NO  : REPAIR the circuit in question. INSTALL the driver air bag module. REFER to REMOVAL AND INSTALLATION article. CLEAR the DTCs. REPEAT the self-test.
  8. C8 CHECK THE SPEED CONTROL SWITCH CIRCUITRY FOR AN OPEN 
    • Measure the resistance between the PCM C175b-19, circuit 151 (LB/BK), harness side and the clockspring C218a-13, circuit 151 (LB/BK), harness side; and between the PCM C175b-30, circuit 848 (DG/OG), harness side and the clockspring C218a-3, circuit 848 (DG/OG), harness side.
    • Is the resistance between 4,100 and 4,550 ohms? 
    1. YES  : Go to  C10.
    2. NO  : Go to  C9.
  9. C9 CHECK CIRCUITS 151 (LB/BK) AND 848 (DG/OG) FOR AN OPEN 
    • Disconnect: Clockspring C218a
    • Fig 7: Checking Circuits For Open
      GF0014222Courtesy of FORD MOTOR CO.
    • Measure the resistance between the PCM C175b-19, circuit 151 (LB/BK), harness side and the clockspring C218a-13, circuit 151 (LB/BK), harness side; and between the PCM C175b-30, circuit 848 (DG/OG), harness side and the clockspring C218a-3, circuit 848 (DG/OG), harness side.
    • Are the resistances less than 5 ohms? 
    1. YES  : INSTALL a new clockspring. REFER to REMOVAL AND INSTALLATION article. CLEAR the DTCs. REPEAT the self-test.
    2. NO  : REPAIR the circuit in question. CLEAR the DTCs. REPEAT the self-test.
  10. C10 CHECK THE CLOCKSPRING 
    • Remove the driver air bag. Refer to REMOVAL AND INSTALLATION article.
    • Disconnect: Clockspring C218b
    • Fig 8: Checking Clockspring
      GF0014223Courtesy of FORD MOTOR CO.
    • Measure the resistance between the clockspring C218a pin 3, component side and the clockspring C218b pin 11, component side; and between the clockspring C218a pin 13, component side and the clockspring C218b pin 3, component side.
    • Are the resistances less than 5 ohms? 
    1. YES  : Go to  C11.
    2. NO  : INSTALL a new clockspring. REFER to REMOVAL AND INSTALLATION article. INSTALL the driver air bag module. REFER to REMOVAL AND INSTALLATION article. CLEAR the DTCs. REPEAT the self-test.
  11. C11 CHECK FOR CORRECT PCM OPERATION 
    • Install the driver air bag module. Refer to REMOVAL AND INSTALLATION article.
    • Disconnect all the PCM connectors.
    • Check for:
      • corrosion
      • damaged pins
      • pushed-out pins
    • Connect all the PCM connectors and make sure they are seated correctly.
    • Operate the system and verify the concern is still present.
    • Is the concern still present? 
    1. YES  : INSTALL a new PCM. REFER to REMOVAL & INSTALLATION article. TEST the system for normal operation.
    2. NO  : The system is operating correctly at this time. The concern may have been caused by a loose or corroded connector. CLEAR the DTCs. REPEAT the self-test.