LEMON Manuals: Even more car manuals for everyone: 1960-2025
Home >> Ford >> 2011 >> Fiesta SES, Standard >> Repair and Diagnosis >> Accessories & Equipment >> Accessories Control Systems >> Component Testing >> Introduction >> Relay - Micro ISO >> Schematic
April 5, 2026: LEMON Manuals is launched! Read the announcement.

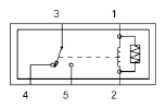
Relay - Micro ISO: Schematic

Fig 1: Relay, Micro ISO - Schematic
G07329003Courtesy of FORD MOTOR CO.