LEMON Manuals: Even more car manuals for everyone: 1960-2025
Home >> Ford >> 2011 >> Flex SE >> Repair and Diagnosis >> Accessories & Equipment >> Accessories Control Systems >> Component Testing >> Introduction >> Roof opening panel control switch >> Schematic
April 5, 2026: LEMON Manuals is launched! Read the announcement.

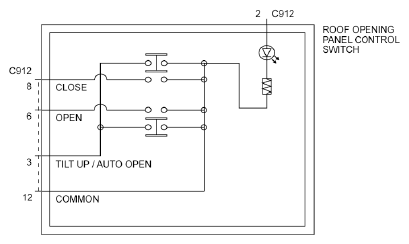
Roof opening panel control switch: Schematic

Fig 1: Roof Opening Panel Control Switch - Schematic
G07334741Courtesy of FORD MOTOR CO.