LEMON Manuals: Even more car manuals for everyone: 1960-2025
Home >> Ford >> 2011 >> Flex SE >> Repair and Diagnosis >> External Pages >> Different car >> Section 1722 (Component Testing) >> Introduction >> Main light switch >> Schematic
April 5, 2026: LEMON Manuals is launched! Read the announcement.

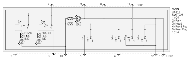
Main light switch: Schematic

WARNING: This page is about a different car, the 2011 Ford Transit Connect. However, it is still accessible from the selected car via links, so may be relevant.
Fig 1: Main Light Switch - Schematic
G07337210Courtesy of FORD MOTOR CO.