LEMON Manuals: Even more car manuals for everyone: 1960-2025
Home >> Ford >> 2011 >> Flex SE >> Repair and Diagnosis >> External Pages >> Different car >> Section 1871 (Climate Control System - General Information And Diagnostics) >> Diagnosis And Testing >> Climate Control System >> Component Tests >> Temperature Sensor - In-Vehicle
April 5, 2026: LEMON Manuals is launched! Read the announcement.

Temperature Sensor - In-Vehicle

WARNING: This page is about a different car, the 2012 Ford Flex. However, it is still accessible from the selected car via links, so may be relevant.
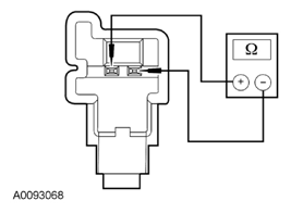
Fig 1: Checking Temperature Sensor - In-Vehicle
G08043480Courtesy of FORD MOTOR CO.
Ambient Temperature Resistance
-40°C (-40°F) 848, 200-966, 200 ohms
-15°C (5°F) 199, 600-217, 100 ohms
0°C (32°F) 92, 630-98, 350 ohms
15°C (59°F) 45, 820-47, 600 ohms
25°C (77°F) 29, 640-30, 360 ohms
35°C (95°F) 19, 330-20, 100 ohms
60°C (140°F) 7, 316-7, 846 ohms
85°C (185°F) 3, 117-3, 429 ohms