LEMON Manuals: Even more car manuals for everyone: 1960-2025
Home >> Ford >> 2011 >> Flex Titanium, 3.5 T >> Repair and Diagnosis (Single Page) >> Transmission >> Automatic Trans >> Automatic Transaxle/Transmission - 6F50-6F55 - General Procedures, In-Vehicle Repair, Removal, Disassembly And Assembly Of Subassemblies, Assembly, Installation >> Assembly >> Transaxle >> Disassembled Views
April 5, 2026: LEMON Manuals is launched! Read the announcement.

Disassembled Views

Fig 1: Disassembled View Of Transaxle Components (1 Of 5)
G07468029Courtesy of FORD MOTOR CO.
Fig 2: Disassembled View Of Transaxle Components (2 Of 5)
G07468030Courtesy of FORD MOTOR CO.
Fig 3: Disassembled View Of Transaxle Components (3 Of 5)
G07468031Courtesy of FORD MOTOR CO.
Fig 4: Disassembled View Of Transaxle Components (4 Of 5)
G07468032Courtesy of FORD MOTOR CO.
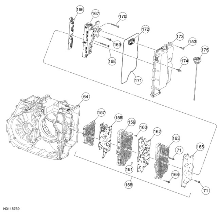
Fig 5: Disassembled View Of Transaxle Components (5 Of 5)
G07468033Courtesy of FORD MOTOR CO.
PARTS DESCRIPTION CHART

Item Part Number Description
1 7902 Torque converter assembly
2 7F401 Seal assembly - converter hub
3 1177 Seal assembly - transaxle differential (front)
4 7J287 Bolt - M8 x 30 (converter housing)
5 W704941 Studbolt - M8 x 30 (converter housing)
6 7005 Torque converter housing
7 7H389 Plug - transmission orifice cup
8 W711931 Bolt - torque converter housing
9 7G099 Washer - drive sprocket thrust
10 7G273 Washer - driven sprocket support thrust
11 7G249 Sprocket and chain assembly - pump
12 7L323 Seal - support assembly-to-torque converter
13 7D014 Washer - stator support thrust
14 7A108 Support and gear assembly - stator
15 7J284 Bolt - hex-head stator support feed tube
16 7J330 Bolt - Torx-head stator support feed tube
17 7N147 Transmission fluid feed tube assembly - stator support
18 7J246 Gasket - feed tube
19 7F363 Support assembly - torque converter reactor
20 7J246 Seal - stator support assembly
21 7J285 Bolt - M8 x 25
22 7048 Seal assembly - input shaft
23 7N281 Ring - input bearing retainer
24 7A452 Bearing assembly - main drive gear front
25 7F342 Gear - final drive input
26 7B364 Nut - bearing retainer
27 7A098 Filter - transmission fluid
28 7Z302 Seal - transmission fluid filter
29 7A103 Pump assembly - transmission fluid
30 7J283 Bolts - M6 x 25
31 7A248 Seal - pump
32 7978 Baffle - sump
33 4067 Shim - transaxle differential bearing
34 4222 Cup - differential bearing
35 7F465 Differential and gear assembly
36 4221 Bearing - differential assembly
37 7J286 Bolt - M10 x 25
38 7F343 Gear - transaxle final drive output
39 4207 Gear and case - differential assembly
40 4221 Bearing - differential assembly
41 4222 Cup - differential bearing
42 7L276 Fluid dams - transfer shaft tube
43 7A209 Tube - transfer shaft
44 7H367 Shim - transfer shaft roller bearing
45 7H344 Cups - transfer shaft roller bearing
46 7H348 Gear and bearing assembly - transfer shaft
47 7H338 Cone and roller assembly - transfer shaft bearing
48 7059 Ring - transaxle final drive retaining
49 7H348 Gear assembly - transfer shaft
50 7H349 Gear - transfer shaft input
51 7H346 Gear - transfer shaft output
52 7A233 Gear - output shaft parking
53 7D419 Plate - parking rod guide
54 7D071 Shaft - parking pawl
55 7D070 Spring - parking pawl return
56 7A441 Pawl - parking brake
57 7H389 Plug - transaxle case orifice
58 7J387 Reservoir - transmission fluid
59 7L280 Seal - transmission fluid reservoir
60 7D412 Pin - parking pawl abutment
61 7G101 Abutment - parking pawl actuator
62 7A010 Plugs - transaxle drain
63 7B362 Pin - transaxle case dowel
64 7005 Case
65 7G342 Tag - transaxle service identification
66 W711892-S441 Nut - M10
67 7A256 Lever - manual control
68 7F337 Seal assembly - manual control shaft
69 7H103 Sensor assembly - Output Shaft Speed (OSS)
70 7N266 Seal - valve body
71 7J282 Bolts - M6 x 63
72 7E332 Spring assembly - manual valve detent
73 7H557 Sensor - Transmission Range (TR)
74 7A232 Rod assembly - park pawl actuator
75 7B210 Pin - manual control lever
76 1177 Seal - transaxle differential
77 7M102 Bearing assembly - thrust
78 7B067 Hub assembly - planetary carrier
79 7D064 Sun gear and shell assembly - planetary carrier
80 7D491 Carrier and gear assembly - planetary
81 7M022 Shell - planetary carrier
82 7N470 Carrier - planetary gear
83 7L487 Ring - planetary carrier guide
84 7C122 Snap ring - planetary carrier
85 7G211 Gear - front planetary ring
86 7H375 Bearing and race assembly - forward planetary carrier thrust
87 7F241 Bearing and race assembly - forward planetary sun gear thrust
88 7G231 Gear - forward planetary sun
89 7L192 Carrier and ring gear assembly - forward planetary
90 7A153 Ring gear - planetary
91 7H318 Retainer - snap ring
92 7D055 Carrier assembly - forward planetary
93 - Clutch assembly - forward
94 7C096 Bearing - forward planetary sun gear thrust (rear)
95 7G177 Bearing - front planetary carrier thrust
96 7D491 Gear and carrier assembly - front
97 7D392 Ring gear assembly - forward
98 7H361 Snap ring - forward planetary ring gear
99 7G226 Carrier - front planetary gear
100 7A262 Piston assembly - forward clutch
101 7B070 Spring - forward clutch piston return
102 7H365 Ring - forward clutch balance piston snap
103 7B070 Spring - forward clutch cushion
104 7B442 Plates - forward clutch (steel)
105 7B164 Plates - forward clutch (friction)
106 7A089 Clutch - low one-way
107 7D483 Ring - low One-Way Clutch (OWC)
108 7B066 Plate - low reverse clutch pressure
109 7B164 Plates - low reverse clutch (friction)
110 7B442 Plates - low reverse clutch (steel)
111 7B066 Plate - low reverse clutch pressure
112 7B066 Plate - intermediate clutch pressure
113 7B164 Plates - intermediate clutch (friction)
114 7B442 Plates - intermediate clutch (steel)
115 7E085 Spring - intermediate clutch cushion
116 7A019 Sun gear and shell assembly - front planetary gear assembly
117 7H351 Hub assembly - direct clutch
118 7C096 Bearing - direct clutch hub thrust
119 7D483 Snap ring - Overdrive (O/D) clutch
120 7B066 Plate - O/D  pressure
121 7B164 Plates - O/D  pressure (friction)
122 7B442 Plates - O/D  pressure (steel)
123 7D483 Snap ring - direct clutch
124 7B066 Plate - direct clutch pressure
125 7B442 Plates - direct clutch (friction)
126 7B164 Plates - direct clutch (steel)
127 7E085 Spring - direct clutch wave
128 7C122 Snap ring - balance piston
129 7H360 Piston - balance
130 7F222 Spring - O/D  clutch piston return
131 7A262 Piston - O/D  clutch
132 7A548 Seal - O/D  clutch piston outer (front)
133 7A548 Seal - O/D  clutch piston outer (rear)
134 7A548 Seal - O/D  clutch piston inner
135 7G384 Hub and shaft assembly - input direct and overdrive clutch
136 7A548 Seal - direct clutch piston outer
137 7C099 Seal - direct clutch piston inner (front)
138 7C099 Seal - direct clutch piston inner (rear)
139 7F235 Return spring assembly - direct clutch
140 7A262 Piston assembly - direct clutch
141 7F283 Cylinder - direct clutch piston
142 7C122 Snap ring - direct clutch piston cylinder
143 7C122 Snap ring - reverse clutch piston return spring
144 7B070 Spring - reverse clutch piston return
145 7D402 Piston - reverse clutch
146 7D483 Snap ring - intermediate clutch return spring
147 7F222 Spring - intermediate clutch piston return
148 7E005 Piston - intermediate clutch
149 7D019 Seals - transaxle cover
150 7H026 Bearing - turbine shaft thrust
151 7223 Gasket - cover assembly
152 7222 Cover assembly
153 7J289 Bolts - M6 x 30
154 7M101 Sensor assembly - Turbine Shaft Speed (TSS)
155 7J356 Bolt - M6 x 25
156 7A100 Body assembly - main control valve
157 7A099 Body assembly - lower main control valve
158 7Z490 Plate assembly - lower valve body separator
159 7A091 Body - main control valve
160 7B431 Pin - transfer plate alignment
161 7E195 Ball - check
162 7Z490 Plate - transfer plate separator
163 7H195 Plate - transfer
164 7J291 Bolt - M6 x 35
165 7Z490 Cover assembly - main control valve body
166 7H200 Plate - solenoid filter
167 7Z369 Body assembly - solenoid
168 7J295 Bolt - M6 x 95
169 7J364 Bolt - M6 x 42
170 7J293 Bolt - M6 x 80
171 7F396 Gasket - main control cover
172 7B329 Seal - solenoid body-to-main control cover
173 7G004 Cover assembly - main control
174 W708442 Stud - hex flange
175 7A020 Indicator - transmission fluid level

All vehicles 

  1. If the transfer shaft fluid dam and bearing race were removed during disassembly, assemble the Handle 205-153 and the Oil Dam Seal Installer 307-583 and install a new transfer shaft fluid dam on the Oil Dam Seal Installer with Handle.
    Fig 6: Installing Transfer Shaft Fluid Dam On Special Tool
    G07468034Courtesy of FORD MOTOR CO.
  2. Using the Handle 205-153 and the Oil Dam Seal Installer 307-583, install the transfer shaft fluid dam in the transaxle case.
    Fig 7: Installing Transfer Shaft Fluid Dam In Transaxle Case
    G07468035Courtesy of FORD MOTOR CO.
  3. Inspect the transfer shaft fluid dam to be sure it is seated evenly into the transaxle case.
    Fig 8: Locating Transfer Shaft Fluid Dam
    G07468036Courtesy of FORD MOTOR CO.
  4. Using the Bearing Cup Installer 307-576, press the transfer shaft bearing cup in the transaxle case.
    Fig 9: Pressing Transfer Shaft Bearing Cup In Transaxle Case
    G07468037Courtesy of FORD MOTOR CO.
  5. If removed, install a new differential bearing race on the Bearing Cup Installer 307-576.
    Fig 10: Installing Differential Bearing Race On Bearing Cup Installer 307-576
    G07468038Courtesy of FORD MOTOR CO.
  6. Using the Bearing Cup Installer 307-576, Transfer Gear Bearing Installer 307-541 and Drawbar 204-029, press the differential bearing cup in the transaxle case.
    Fig 11: Pressing Differential Bearing Cup In Transaxle Case
    G07468039Courtesy of FORD MOTOR CO.
  7. Install the park pawl abutment and the pins.
    Fig 12: Installing Park Pawl Abutment And Pins
    G07468040Courtesy of FORD MOTOR CO.
  8. Install the park pawl and the pin.
    Fig 13: Installing Park Pawl And Pin
    G07468041Courtesy of FORD MOTOR CO.
  9. Install the park pawl spring.
    Fig 14: Locating Park Pawl Spring
    G07468042Courtesy of FORD MOTOR CO.
  10. Install the park pawl pin retainer and the 2 bolts.
    • Tighten to 12 Nm (106 lb-in).
      Fig 15: Locating Park Pawl Pin Retainer Bolts
      G07468043Courtesy of FORD MOTOR CO.
  11. Slide the park pawl over and install the park pawl actuator rod.
    Fig 16: Installing Park Pawl Actuator Rod
    G07468044Courtesy of FORD MOTOR CO.
  12. Lubricate a new manual shaft seal and the Manual Lever Seal Installer 307-581 with petroleum jelly and install the seal on the Manual Lever Seal Installer 307-581.
    Fig 17: Installing Seal On Manual Lever Seal Installer 307-581
    G07468045Courtesy of FORD MOTOR CO.
  13. Using the Manual Lever Seal Installer 307-581, install the manual lever shaft seal in the transaxle case.
    Fig 18: Installing Manual Lever Shaft Seal In Transaxle Case
    G07468046Courtesy of FORD MOTOR CO.
  14. Install the Transmission Range (TR) sensor.
    1. Position the park pawl actuating rod in the TR  sensor detent plate.
    2. Install the TR  sensor in the transaxle case.
      Fig 19: Installing TR Sensor In Transaxle Case
      G07468047Courtesy of FORD MOTOR CO.
  15. Install a new TR  sensor locking pin in the transaxle case.
    Fig 20: Locating TR Sensor Locking Pin
    G07468048Courtesy of FORD MOTOR CO.
  16. Using the Manual Lever Retaining Pin Installer 307-592, drive the TR  sensor locking pin into the transaxle case.
    Fig 21: Installing TR Sensor Locking Pin Into Transaxle Case
    G07468049Courtesy of FORD MOTOR CO.
  17. Install a new O-ring seal on the reservoir. Lubricate the seal with clean transmission fluid.
    Fig 22: Locating O-Ring Seal
    G07468050Courtesy of FORD MOTOR CO.
  18. Install the transmission fluid reservoir and the 2 bolts.
    • Tighten to 12 Nm (106 lb-in).
      Fig 23: Locating Transmission Fluid Reservoir Bolts
      G07468051Courtesy of FORD MOTOR CO.
  19. Install a new pump-to-case seal.
    Fig 24: Locating Pump-To-Case Seal
    G07468052Courtesy of FORD MOTOR CO.
  20. Install the transfer shaft and gear assembly.
    Fig 25: Identifying Transfer Shaft And Gear Assembly
    G07468053Courtesy of FORD MOTOR CO.
  21. Tilt the transfer shaft and gear assembly over and install the differential assembly.
    Fig 26: Installing Differential Assembly
    G07468054Courtesy of FORD MOTOR CO.
  22. Install the differential and transfer shaft bearing cups on the bearings.
    Fig 27: Remove/Install Differential And Transfer Shaft Bearing Cups
    G07468055Courtesy of FORD MOTOR CO.
  23. Install the Differential/Transfer Gear Bearing Shim Gauge 307-591 (307-591/1 and 307-591/2) on the differential and transfer shaft bearing cups.
    Fig 28: Remove/Install Differential/Transfer Gear Bearing Shim Gauge 307-591 (307-591/1, 307-591/2)
    G07468056Courtesy of FORD MOTOR CO.
  24. Install the Differential/Transfer Gear Bearing Shim Gauge 307-591/3 (studs) in the transaxle case to align the torque converter housing.
    Fig 29: Remove/Install Differential/Transfer Gear Bearing Shim Gauge 307-591/3 From Transaxle Case
    G07468057Courtesy of FORD MOTOR CO.
  25. NOTE: Make sure that the silicone has been cleaned off the machined surface of the transaxle case and the torque converter housing before installing the Differential/Transfer Gear Bearing Shim Gauge 307-591/3 (4 spacers) or the preload measurement may be inaccurate.
    Fig 30: Remove/Install Differential/Transfer Gear Bearing Shim Gauge 307-591/3
    G07468058Courtesy of FORD MOTOR CO.
  26. Install the Differential/Transfer Gear Bearing Shim Gauge 307-591/3 (4 spacers) on the studs to space the torque converter housing from the transaxle case.
  27. Place the torque converter housing on the Differential/Transfer Gear Bearing Shim Gauge 307-591/3.
    Fig 31: Locating Torque Converter Housing
    G07468059Courtesy of FORD MOTOR CO.
  28. Install the Differential/Transfer Gear Bearing Shim Gauge 307-591/3 (remaining 4 spacers, bolts and washers).
    • Tighten to 24 Nm (18 lb-ft).
      Fig 32: Installing Differential/Transfer Gear Bearing Shim Gauge 307-591/3
      G07468060Courtesy of FORD MOTOR CO.
  29. Install the Differential/Transfer Gear Bearing Shim Gauge 307-591/3 (4 nuts and washers) on the studs.
    • Tighten to 24 Nm (18 lb-ft).
      Fig 33: Identifying Differential/Transfer Gear Bearing Shim Gauge 307-591/3 On Studs
      G07468061Courtesy of FORD MOTOR CO.
  30. Rotate the transfer shaft and the differential several times to seat the bearings.
    Fig 34: Rotating Transfer Shaft And Differential
    G07468062Courtesy of FORD MOTOR CO.
  31. Using a feeler gauge, measure and record the smallest and largest preload gap on the Differential/Transfer Gear Bearing Shim Gauge 307-591/1 placed on the differential assembly. Add the 2 measurements and divide by 2. This is the thickness of the differential bearing preload shim. For additional information, refer to SPECIFICATIONS in this service information for the differential bearing preload shim part number.
    Fig 35: Checking Thickness Of Differential Bearing Preload Shim
    G07468063Courtesy of FORD MOTOR CO.
  32. Using a feeler gauge, measure and record the smallest and largest preload gap on Differential/Transfer Gear Bearing Shim Gauge 307-591/2 placed on the transfer shaft assembly. Add the 2 measurements and divide by 2. This is the thickness of the transfer shaft bearing preload shim. For additional information, refer to SPECIFICATIONS in this service information for the transfer gear bearing preload shim part number.
    Fig 36: Checking Thickness Of Transfer Shaft Bearing Preload Shim
    G07468064Courtesy of FORD MOTOR CO.
  33. Remove the torque converter housing and the Differential/Transfer Gear Bearing Shim Gauge 307-591/3 (4 nuts, bolts and spacers and 8 washers) from the transaxle case.
    Fig 37: Removing Torque Converter Housing And Differential/Transfer Gear Bearing Shim Gauge 307-591/3
    G07468065Courtesy of FORD MOTOR CO.
  34. Remove the Differential/Transfer Gear Bearing Shim Gauge 307-591/3 (4 spacers) from the transaxle case.
    Fig 38: Remove/Install Differential/Transfer Gear Bearing Shim Gauge 307-591/3
    G07468066Courtesy of FORD MOTOR CO.
  35. Remove the Differential/Transfer Gear Bearing Shim Gauge 307-591/3 (4 studs) from the transaxle case.
    Fig 39: Remove/Install Differential/Transfer Gear Bearing Shim Gauge 307-591/3 From Transaxle Case
    G07468067Courtesy of FORD MOTOR CO.
  36. Remove the Differential/Transfer Gear Bearing Shim Gauge 307-591/1 and 307-591/2 from the differential and transfer shaft assemblies.
    Fig 40: Remove/Install Differential/Transfer Gear Bearing Shim Gauge 307-591 (307-591/1, 307-591/2)
    G07468068Courtesy of FORD MOTOR CO.
  37. Remove the differential and transfer shaft bearing cups.
    Fig 41: Remove/Install Differential And Transfer Shaft Bearing Cups
    G07468069Courtesy of FORD MOTOR CO.
  38. Install a new torque converter hub seal on the Converter Seal Installer 307-575.
    Fig 42: Installing Torque Converter Hub Seal On Converter Seal Installer 307-575
    G07468070Courtesy of FORD MOTOR CO.
  39. NOTE: Support the torque converter housing using blocks of wood, or damage to the torque converter housing may occur.
    Fig 43: Installing Torque Converter Hub Seal In Torque Converter Housing
    G07468071Courtesy of FORD MOTOR CO.
  40. Using the Converter Seal Installer 307-575 and a dead blow hammer, install the torque converter hub seal in the torque converter housing.

    Front Wheel Drive (FWD) vehicles 

  41. Assemble the Handle 205-153 on the Cover Axle Seal Installer 307-582A and install a new RH halfshaft seal on Cover Axle Seal Installer 307-582A.
    Fig 44: Installing RH Halfshaft Seal On Cover Axle Seal Installer 307-582A
    G07468072Courtesy of FORD MOTOR CO.
  42. NOTE: Support the torque converter housing using blocks of wood or damage to the torque converter housing may occur.
    Fig 45: Installing RH Halfshaft Seal In Torque Converter Housing
    G07468073Courtesy of FORD MOTOR CO.
  43. Use the Handle 205-153 and the Cover Axle Seal Installer 307-582A. Install the RH halfshaft seal in the torque converter housing.

    All vehicles 

  44. Assemble the Handle 205-153 and the Oil Dam Seal Installer 307-583 and install a new transfer shaft fluid dam on the Oil Dam Seal Installer 307-583.
    Fig 46: Installing Transfer Shaft Fluid Dam On Oil Dam Seal Installer 307-583
    G07468074Courtesy of FORD MOTOR CO.
  45. NOTE: Support the torque converter housing using blocks of wood, or damage to the torque converter housing may occur.
    Fig 47: Installing Fluid Dam In Torque Converter Housing
    G07468075Courtesy of FORD MOTOR CO.
  46. Using the Handle 205-153 and the Oil Dam Seal Installer 307-583, install the fluid dam in the torque converter housing.
  47. Inspect the transfer shaft fluid dam to be sure it is seated evenly into the torque converter housing.
    Fig 48: Locating Transfer Shaft Fluid Dam
    G07468076Courtesy of FORD MOTOR CO.
  48. Install the transfer shaft preload shim in the torque converter housing.
    Fig 49: Remove/Install Preload Shim
    G07468077Courtesy of FORD MOTOR CO.
  49. Using the Bearing Cup Installer 307-576, press the transfer shaft bearing cup in the torque converter housing.
    Fig 50: Pressing Transfer Shaft Bearing Cup In Torque Converter Housing
    G07468078Courtesy of FORD MOTOR CO.
  50. Install the differential bearing preload shim in the torque converter housing.
    Fig 51: Remove/Install Differential Bearing Preload Shim
    G07468079Courtesy of FORD MOTOR CO.
  51. Install a new differential bearing race on the Bearing Cup Installer 307-576.
    Fig 52: Installing Differential Bearing Race On Bearing Cup Installer 307-576
    G07468080Courtesy of FORD MOTOR CO.
  52. Using the Bearing Cup Installer 307-576, Transfer Gear Bearing Installer 307-541 and the Drawbar 204-029, press the differential bearing cup in the torque converter housing.
    Fig 53: Pressing Differential Bearing Cup In Torque Converter Housing
    G07468081Courtesy of FORD MOTOR CO.
  53. Install the pump drive sprocket and driven sprocket thrust washers.
    Fig 54: View Of Pump Drive Sprocket And Driven Sprocket Thrust Washers
    G07468082Courtesy of FORD MOTOR CO.
  54. NOTE: The dot on the pump sprocket is installed facing upward.
    Fig 55: Locating Pump Sprocket And Chain Assembly
    G07468083Courtesy of FORD MOTOR CO.
  55. Install the pump sprocket and chain assembly.
  56. Position the pump and filter assembly in place and install the 3 bolts.
    • Tighten to 12 Nm (106 lb-in).
      Fig 56: Locating Pump And Filter Assembly Bolts
      G07468084Courtesy of FORD MOTOR CO.
  57. NOTE: Be sure that the pump drive chain is correctly engaged on both sprockets.
    Fig 57: View Of Stator Support Assembly
    G07468085Courtesy of FORD MOTOR CO.
  58. Position the stator support assembly in place on the torque converter housing.
  59. Install the stator support bolts. Tighten in the sequence shown in illustration.
    • Tighten to 41 Nm (30 lb-ft).
      Fig 58: Identifying Stator Support Bolts Tightening Sequence
      G07468086Courtesy of FORD MOTOR CO.
  60. Position the differential carrier baffle in place and install the bolt.
    • Tighten to 12 Nm (106 lb-in).
      Fig 59: Locating Bolt And Fluid Baffle Of Torque Converter Housing
      G07468087Courtesy of FORD MOTOR CO.
  61. Lubricate the ends of the transaxle fluid tube with petroleum jelly and install it in the transaxle.
    Fig 60: Locating Transaxle Lube Tube
    G07468088Courtesy of FORD MOTOR CO.
  62. NOTE: Make sure the sealing surface of both the transaxle case and the torque converter housing are clean, dry and free of oil or the silicone will not seal the transaxle case.
    Fig 61: Applying Sealant To Machined Surface Of Transaxle Case
    G07468089Courtesy of FORD MOTOR CO.
  63. Apply a bead of silicone sealant to the machined surface of the transaxle case.
  64. NOTE: Install the 2 studbolts in the correct location as noted during disassembly.
    Fig 62: Locating Torque Converter Housing Bolts
    G07468090Courtesy of FORD MOTOR CO.
  65. Install the torque converter housing on top of the transaxle case and install the bolts.
  66. NOTE: The studbolts are 1 and 16 in the tightening sequence.
  67. Tighten the bolts in the sequence shown in illustration.
    • Tighten to 24 Nm (18 lb-ft).
      Fig 63: Identifying Torque Converter Housing Bolts Tightening Sequence
      G07468091Courtesy of FORD MOTOR CO.
  68. Assemble the Handle 205-153 and the Cover Axle Seal Installer 307-582A, install a new halfshaft seal on Cover Axle Seal Installer 307-582A.
    Fig 64: Installing Halfshaft Seal On Cover Axle Seal Installer 307-582A
    G07468092Courtesy of FORD MOTOR CO.
  69. Using the Handle 205-153 and the Cover Axle Seal Installer 307-582A, install the halfshaft seal in the transaxle case.
    Fig 65: Installing Halfshaft Seal In Transaxle Case
    G07468093Courtesy of FORD MOTOR CO.
  70. Lubricate the forward clutch piston seals with petroleum jelly.
    Fig 66: Locating Forward Clutch Piston Seals
    G07468094Courtesy of FORD MOTOR CO.
  71. Position the forward clutch piston in place in the transaxle case.
    Fig 67: Identifying Forward Clutch Piston Position
    G07468095Courtesy of FORD MOTOR CO.
  72. NOTE: Install the Forward/Intermediate Spring Compressor 307-584/1 with the stepped end of the cylinder facing downward when pushing the forward clutch piston into the bore.
    Fig 68: Pushing Forward Clutch Piston Down Into Bore
    G07468096Courtesy of FORD MOTOR CO.
  73. Using the Forward/Intermediate Spring Compressor 307-584/1, push the forward clutch piston down into the bore.
  74. Install the forward clutch piston return spring with the tabs facing downward.
    Fig 69: Locating Forward Clutch Piston Return Spring
    G07468097Courtesy of FORD MOTOR CO.
  75. NOTE: Install the Forward/Overdrive Spring Compressor with the stepped end of the cylinder facing upward when compressing the forward clutch piston return spring.
    NOTE: Before compressing the forward clutch piston return spring, make sure the spring is centered.
    Fig 70: View Of Forward Clutch Spring Compressor And Forward/Intermediate Spring Compressor
    G07468098Courtesy of FORD MOTOR CO.
  76. Install the Forward Clutch Spring Compressor 307-574 (307-574/1 and 307-574/2) and the Forward/Intermediate Spring Compressor 307-584 (307-584/1 and 307-584/2) and compress the forward clutch piston return spring.
  77. NOTE: Forward Clutch Spring Compressor and the Forward/Overdrive Spring Compressor not shown in illustration for clarity.
  78. Install the forward clutch piston return spring snap ring.
    • Install the snap ring.
    • The snap ring gap should be at the top of the transaxle case.
      Fig 71: Locating Forward Clutch Piston Return Spring Snap Ring
      G07468099Courtesy of FORD MOTOR CO.
  79. Remove the Forward Clutch Spring Compressor 307-574 (307-574/1 and 307-574/2) and the Forward/Intermediate Spring Compressor 307-584 (307-584/1 and 307-584/2).
    Fig 72: View Of Forward Clutch Spring Compressor And Forward/Intermediate Spring Compressor
    G07468100Courtesy of FORD MOTOR CO.
  80. Install the forward clutch wave spring.
    Fig 73: Installing Forward Clutch Wave Spring
    G07468101Courtesy of FORD MOTOR CO.
  81. Lubricate the forward clutch pack in clean transmission fluid.
    Fig 74: Identifying Forward Clutch Pack
    G07468102Courtesy of FORD MOTOR CO.
  82. Install the forward clutch pack assembly.
    1. Position the forward clutch pack assembly in the case.
    2. Make sure the alignment tab on the clutch pack is positioned in the correct location.
      Fig 75: Identifying Forward Clutch Pack Assembly And Alignment Tab
      G07468103Courtesy of FORD MOTOR CO.
  83. Install the low OWC  .
    Fig 76: Installing Low OWC
    G07468104Courtesy of FORD MOTOR CO.
  84. NOTE: The low OWC  snap ring gap must be positioned as shown in illustration so that the low/reverse clutch pressure plate tab fits into the gap when it is installed later in this procedure.
    Fig 77: Locating Low OWC Snap Ring
    G07468105Courtesy of FORD MOTOR CO.
  85. Install the low OWC  snap ring.
  86. Compare the position of the low OWC  snap ring gap with the tab on the low/reverse clutch pressure plate to be sure that the gap is in the right position.
    Fig 78: Locating Low/Reverse Clutch Pressure Plate Tab
    G07468106Courtesy of FORD MOTOR CO.
  87. Install the Dial Indicator Gauge with Holding Fixture 100-002 on the transaxle case and position the plunger on a top friction disc tab.
    Fig 79: Installing Dial Indicator Gauge With Holding Fixture 100-002 On Transaxle Case
    G07468107Courtesy of FORD MOTOR CO.
  88. Install a new forward clutch feed seal.
    Fig 80: Installing Forward Clutch Feed Seal
    G07468108Courtesy of FORD MOTOR CO.
  89. Apply 483 kPa (70 psi) of air pressure to the forward clutch piston port while recording the clutch pack clearance on the Dial Indicator Gauge. The clearance should be between 0.85 mm (0.033 in) and 2.41 mm (0.094 in). If the clearance is out of range, check the forward clutch pack and low OWC  for correct installation. If the forward clutch pack and low OWC  is correctly installed, install a new forward clutch pack.
    Fig 81: Recording Clutch Pack Clearance
    G07468109Courtesy of FORD MOTOR CO.
  90. Remove the Dial Indicator Gauge with Holding Fixture 100-002 from the transaxle case.
  91. Install the No. 11 stator support thrust bearing.
    Fig 82: Remove/Install No. 11 Support Assembly Thrust Bearing
    G07468110Courtesy of FORD MOTOR CO.
  92. Install the front planetary carrier hub.
    Fig 83: Locating Front Planetary Carrier Hub Assembly
    G07468111Courtesy of FORD MOTOR CO.
  93. Install the No. 10 front sun gear thrust bearing.
    Fig 84: Remove/Install No. 10 Front Sun Gear Thrust Bearing
    G07468112Courtesy of FORD MOTOR CO.
  94. Install the front sun gear and shell assembly.
    Fig 85: Remove/Install Front Planetary Sun Gear And Shell Assembly
    G07468113Courtesy of FORD MOTOR CO.
  95. Install the front carrier and rear ring gear assembly.
    Fig 86: Remove/Install Front Planetary Carrier And Rear Ring Gear Assembly
    G07468114Courtesy of FORD MOTOR CO.
  96. Install the No. 8 front/center planetary gear assembly and the No. 7 center sun gear thrust bearings.
    Fig 87: Installing No. 8 Front/Center Planetary Gear Assembly And No. 7 Center Sun Gear Thrust Bearings
    G07468115Courtesy of FORD MOTOR CO.
  97. Install the center planetary carrier and front ring gear assembly.
    Fig 88: Remove/Install Center Planetary Carrier And Front Ring Gear Assembly
    G07468116Courtesy of FORD MOTOR CO.
  98. NOTE: The groove on the center sun gear is installed facing up.
    Fig 89: Remove/Install Center Planetary Sun Gear
    G07468117Courtesy of FORD MOTOR CO.
  99. Install the center planetary sun gear.
  100. Install the No. 6 center sun gear and the No. 5 center/rear planetary thrust bearings.
    Fig 90: Installing No. 6 Center Sun Gear And No. 5 Center/Rear Planetary Thrust Bearings
    G07468118Courtesy of FORD MOTOR CO.
  101. Install the rear planetary gear carrier assembly.
    Fig 91: Remove/Install Rear Planetary Carrier Assembly
    G07468119Courtesy of FORD MOTOR CO.
  102. NOTE: Failure to align the tab on the bottom of the low/reverse pressure plate with the gap in the low One-Way Clutch (OWC) snap ring may result in damage to the transaxle.
  103. Install the low/reverse clutch pressure plate.
    1. Make sure the tab on the bottom of the pressure plate fits in the gap of the low OWC  snap ring.
    2. Install the low/reverse clutch pressure plate.
      Fig 92: Installing Low/Reverse Clutch Pressure Plate
      G07468120Courtesy of FORD MOTOR CO.
  104. Measure the depth of the low/reverse clutch pressure plate where the tab fits into the gap of the low OWC  snap ring and directly across from it. If the pressure plate is seated correctly, the depth should be the same. If the depths are different, rotate the snap ring so that the gap fits around the tab on the pressure plate.
    Fig 93: Measuring Depth Of Low/Reverse Clutch Pressure Plate
    G07468121Courtesy of FORD MOTOR CO.
  105. Lubricate the low/reverse clutch pack with clean transmission fluid.
    Fig 94: Identifying Low/Reverse Clutch Pack
    G07468122Courtesy of FORD MOTOR CO.
  106. Install the low/reverse clutch pack.
    Fig 95: Locating Low/Reverse Clutch Pack
    G07468123Courtesy of FORD MOTOR CO.
  107. Install the low/reverse pressure plate.
    Fig 96: Installing Low/Reverse Pressure Plate
    G07468124Courtesy of FORD MOTOR CO.
  108. Using a suitable straightedge and the Depth Micrometer 303-D075, measure and record as measurement A, the distance from the transaxle case deck surface to the low/reverse pressure plate.
    Fig 97: Measuring Distance From Transaxle Case Deck Surface To Low/Reverse Pressure Plate
    G07468125Courtesy of FORD MOTOR CO.
  109. Using the same straightedge and the Depth Micrometer 303-D075, measure and record as measurement B, the distance from the low/reverse clutch piston to the cover assembly deck surface.
    Fig 98: Measuring Distance From Low/Reverse Clutch Piston To Cover Assembly Deck Surface
    G07468126Courtesy of FORD MOTOR CO.
  110. Subtract measurement B from measurement A and add 1.6 mm (0.062 in), to compensate for the thickness of the gasket, to get the low/reverse clutch clearance. The clearance should be between 1.01 mm (0.039 in) and 2.47 mm (0.097 in). If the clearance is out of range, check the low/reverse clutch pack for correct installation. If the low/reverse clutch pack is correctly installed, install a new low/reverse clutch pack.
    READING DESCRIPTION CHART

    Description Reading
    Measurement A  
    Measurement B  
    Subtract measurement B from measurement A and add 1.6 mm (0.062 in) to get the low/reverse clutch clearance.  
  111. Install the intermediate clutch pressure plate.
    Fig 99: Installing Intermediate Clutch Pressure Plate
    G07468127Courtesy of FORD MOTOR CO.
  112. Lubricate the intermediate clutch pack assembly in clean transmission fluid.
    Fig 100: Identifying Intermediate Clutch Pack Assembly
    G07468128Courtesy of FORD MOTOR CO.
  113. Install the intermediate clutch pack assembly.
    Fig 101: Locating Intermediate Clutch Pack Assembly
    G07468129Courtesy of FORD MOTOR CO.
  114. Install the intermediate clutch pack wave spring.
    Fig 102: Installing Intermediate Clutch Pack Wave Spring
    G07468130Courtesy of FORD MOTOR CO.
  115. Using a suitable straightedge and the Depth Micrometer 303-D075, measure and record as measurement A, the distance from the transaxle case deck surface to a low point on the intermediate clutch wave spring.
    Fig 103: Measuring Distance From Transaxle Case Deck Surface To Low Point On Intermediate Clutch Wave Spring
    G07468131Courtesy of FORD MOTOR CO.
  116. Using the straightedge and the Depth Micrometer 303-D075, measure and record as measurement B, the distance from the intermediate clutch piston to the cover assembly deck surface.
    Fig 104: Measuring Distance From Intermediate Clutch Piston To Cover Assembly Deck Surface
    G07468132Courtesy of FORD MOTOR CO.
  117. Subtract measurement B from measurement A and add 1.6 mm (0.062 in), to compensate for the thickness of the gasket, to get the intermediate clutch clearance. The clearance should be between 0.99 mm (0.038 in) and 2.56 mm (0.1 in). If the clearance is out of range, check the intermediate clutch pack for correct installation. If the intermediate clutch pack is correctly installed, install a new intermediate clutch pack.
    READING DESCRIPTION CHART

    Description Reading
    Measurement A  
    Measurement B  
    Subtract measurement B from measurement A and add 1.6 mm (0.062 in) to get the intermediate clutch clearance.  
  118. Install the rear sun gear and shell assembly.
    Fig 105: Installing Rear Sun Gear And Shell Assembly
    G07468133Courtesy of FORD MOTOR CO.
  119. Install the No. 3 rear sun gear thrust bearing.
    Fig 106: Remove/Install No. 3 Rear Sun Gear Thrust Bearing
    G07468134Courtesy of FORD MOTOR CO.
  120. Install the overdrive/direct clutch hub and turbine shaft assembly.
    Fig 107: Remove/Install Overdrive/Direct Clutch Hub And Turbine Shaft Assembly
    G07468135Courtesy of FORD MOTOR CO.
  121. Install the No. 1 cover assembly thrust bearing.
    Fig 108: Remove/Install No. 1 Cover Assembly Thrust Bearing
    G07468136Courtesy of FORD MOTOR CO.
  122. Install the cover assembly gasket.
    Fig 109: View Of Cover Assembly Gasket
    G07468137Courtesy of FORD MOTOR CO.
  123. Route the Turbine Shaft Speed (TSS) sensor harness through the transaxle case to the valve body area and install the cover assembly.
    Fig 110: Remove/Install Cover Assembly
    G07468138Courtesy of FORD MOTOR CO.
  124. Install the cover assembly bolts and tighten the bolts in the sequence shown in illustration.
    • Tighten to 12 Nm (106 lb-in).
      Fig 111: Identifying Cover Assembly Bolts Tightening Sequence
      G07468139Courtesy of FORD MOTOR CO.
  125. Install the Output Shaft Speed (OSS) sensor and the bolt.
    • Tighten to 12 Nm (106 lb-in).
      Fig 112: Identifying Output Shaft Speed (OSS) Sensor
      G07468140Courtesy of FORD MOTOR CO.
  126. NOTE: Be careful not to pinch the Turbine Shaft Speed (TSS), Output Shaft Speed (OSS) or Transmission Range (TR) sensor wiring harnesses under the valve body, or damage to the wiring harness or connectors may occur.
    NOTE: Make sure that the manual pin (part of the TR  sensor) is correctly installed in the manual valve.
  127. Position the TSS  , OSS  and TR  sensor wiring harnesses aside, align the manual pin in the manual valve, install the main control valve body and loosely install the bolts.
    1. Manual pin
    2. Manual valve
      Fig 113: Identifying Manual Pin And Valve
      G07468141Courtesy of FORD MOTOR CO.
  128. Install the main control valve body bolts. Tighten the bolts in the sequence shown in illustration.
    • Tighten to 12 Nm (106 lb-in).
      Fig 114: Identifying Main Control Valve Body Bolts Tightening Sequence
      G07468142Courtesy of FORD MOTOR CO.
  129. NOTE: Make sure not to pinch the Turbine Shaft Speed (TSS), Output Shaft Speed (OSS) or Transmission Range (TR) sensor wiring harnesses behind the solenoid body when positioning the solenoid body in place.
    NOTE: Install the different length bolts in the locations noted during disassembly.
  130. Install the solenoid body bolts hand-tight.
    1. 42 mm (1.653 in) bolt
    2. 63 mm (2.48 in) bolts
    3. 80 mm (3.149 in) bolts
    4. 95 mm (3.74 in) bolts
      Fig 115: Identifying Solenoid Body Bolts Tightening Sequence
      G07468143Courtesy of FORD MOTOR CO.
  131. Tighten the solenoid body bolts in the sequence shown in illustration.
    • Tighten to 12 Nm (106 lb-in).
      Fig 116: Identifying Solenoid Body Bolts Tightening Sequence
      G07468144Courtesy of FORD MOTOR CO.
  132. Route the OSS  sensor wiring harness into the retainer.
    Fig 117: Locating OSS Sensor Wiring Harness
    G07468145Courtesy of FORD MOTOR CO.
  133. Connect the TSS  and OSS  sensor electrical connectors.
    Fig 118: Locating TSS And OSS Sensor Electrical Connectors
    G07468146Courtesy of FORD MOTOR CO.
  134. Connect the TR  sensor electrical connector and slide the lock tab to the LOCK position.
    Fig 119: Connecting TR Sensor Electrical Connector
    G07468147Courtesy of FORD MOTOR CO.
  135. Inspect the transaxle main control cover seal for damage and install new if necessary.
    Fig 120: Locating Transaxle Main Control Cover Seal
    G07468148Courtesy of FORD MOTOR CO.
  136. NOTE: Install the studbolts in the locations noted during disassembly.
  137. Install the transaxle main control cover and install the bolts.
    1. Bolt location
    2. Studbolt location
      Fig 121: Identifying Transaxle Main Control Cover Bolts
      G07468149Courtesy of FORD MOTOR CO.
  138. Tighten the main control cover bolts in the sequence shown in illustration.
    • Tighten to 12 Nm (106 lb-in).
      Fig 122: Identifying Main Control Cover Bolts Tightening Sequence
      G07468150Courtesy of FORD MOTOR CO.
  139. NOTE: Make sure that when installing the manual control lever it is fully seated onto the manual control lever shaft or damage to the manual control lever shaft will occur and the lever will come loose.
    NOTE: Make sure to hold the manual control lever while tightening the manual control lever nut or damage to the manual control lever and park components will occur.
  140. Install the manual control lever and the nut.
    • Tighten to 18 Nm (159 lb-in).
      Fig 123: Remove/Install Manual Lever And Nut
      G07468151Courtesy of FORD MOTOR CO.
  141. NOTE: Only thread the bolts 6 to 8 turns or do not exceed 12 mm (0.472 in) in the torque converter. If the bolts are threaded too far, damage to the torque converter clutch surface can occur, causing torque converter failure.
    Fig 124: Remove/Install Torque Converter From Transaxle
    G07468152Courtesy of FORD MOTOR CO.
  142. Install two 10 mm x 1.50 bolts into the torque converter 6 to 8 turns to assist in handling the torque converter and install the torque converter in the transaxle.
  143. Remove the bolts from the torque converter.
    Fig 125: View Of Torque Converter Bolts
    G07468153Courtesy of FORD MOTOR CO.