LEMON Manuals: Even more car manuals for everyone: 1960-2025
Home >> Ford >> 2011 >> Fusion FWD L4-2.5L >> Repair and Diagnosis >> Heating and Air Conditioning >> Blower Motor >> Service and Repair
April 5, 2026: LEMON Manuals is launched! Read the announcement.

Blower Motor: Service and Repair




Blower Motor









Removal and Installation

MKZ vehicles

1. Remove the RH lower instrument panel insulator.

All vehicles

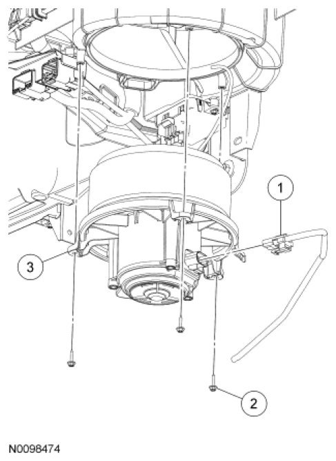
2. Disconnect the blower motor electrical connector.

3. Remove the 3 blower motor screws.

4. Remove the blower motor.

5. To install, reverse the removal procedure.