LEMON Manuals: Even more car manuals for everyone: 1960-2025
Home >> Ford >> 2011 >> Fusion S, Standard >> Repair and Diagnosis >> External Pages >> Different car >> Section 1482 (Component Testing) >> Introduction >> Rear Sunshade switch >> Schematic
April 5, 2026: LEMON Manuals is launched! Read the announcement.

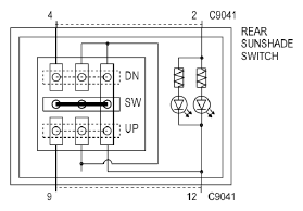
Rear Sunshade switch: Schematic

WARNING: This page is about a different car, the 2011 Lincoln MKT. However, it is still accessible from the selected car via links, so may be relevant.
Fig 1: Rear Sunshade Switch - Schematic
G07335950Courtesy of FORD MOTOR CO.