LEMON Manuals: Even more car manuals for everyone: 1960-2025
Home >> Ford >> 2011 >> Mustang Base, 2D Convertible, Automatic >> Repair and Diagnosis >> Accessories & Equipment >> Accessories Control Systems >> Component Testing >> Introduction >> Window adjust switch, passenger side >> Schematic
April 5, 2026: LEMON Manuals is launched! Read the announcement.

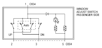
Window adjust switch, passenger side: Schematic

Fig 1: Window Adjust Switch, Passenger Side - Schematic
G07336464Courtesy of FORD MOTOR CO.