LEMON Manuals: Even more car manuals for everyone: 1960-2025
Home >> Ford >> 2011 >> Mustang Base, 2D Convertible, Standard >> Repair and Diagnosis >> External Pages >> Different car >> Section 1489 (Component Testing) >> Component Testing >> Rear window adjust switch >> Schematic
April 5, 2026: LEMON Manuals is launched! Read the announcement.

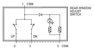
Rear window adjust switch: Schematic

WARNING: This page is about a different car, the 2010 Ford Mustang. However, it is still accessible from the selected car via links, so may be relevant.
Fig 1: Rear Window Adjust Switch - Schematic
G06380878Courtesy of FORD MOTOR CO.