LEMON Manuals: Even more car manuals for everyone: 1960-2025
Home >> Ford >> 2011 >> Ranger 2D Pickup, Standard >> Repair and Diagnosis (Single Page) >> Brakes >> Traction Control >> Anti-Lock Brake System - Vehicle Dynamic Systems >> Diagnosis And Testing >> Anti-Lock Control >> Pinpoint Tests >> Pinpoint Test F: The Stability/Traction Control System is Inoperative or Cannot be Disabled >> Pinpoint Test F: The Stability/Traction Control System Is Inoperative Or Cannot Be Disabled
April 5, 2026: LEMON Manuals is launched! Read the announcement.

Pinpoint Test F: The Stability/Traction Control System Is Inoperative Or Cannot Be Disabled

NOTE: Use the Flex Probe Kit for all test connections to prevent damage to the wiring terminals. Do not use standard multi-meter probes.
  1. F1 CHECK FOR ABS MODULE DTCs 
    • Attempt to disable the traction control system by pressing the Stability/Traction Control Switch.
    • Connect the scan tool.
    • Enter the following diagnostic mode on the scan tool: Self Test - ABS Module.
    • Is DTC U0073, U0155 or U0423 present? 
  2. F2 ISOLATE THE STABILITY/TRACTION CONTROL SWITCH 
    • Ignition OFF.
    • Disconnect: Stability/Traction Control Switch C280.
    • Measure the resistance between stability/traction control switch pin-1 and pin-6, component side, while pressing and releasing the switch.
    • Is the resistance less than 5 ohms with the switch pressed and greater than 10, 000 ohms with the switch released? 
    • Yes  : GO to F3.
    • No  : INSTALL a new stability/traction control switch. REFER to TRACTION CONTROL SWITCH . TEST the system for normal operation.
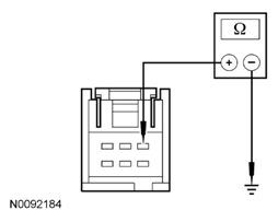
  3. F3 CHECK THE SWITCH INPUT CIRCUIT FOR A SHORT TO GROUND 
    • Disconnect: IC C220B.
    • Measure the resistance between stability/traction control switch C280-1, circuit CCB23 (VT/GN), harness side and ground.
      Fig 1: Measuring Resistance Between Stability/Traction Control Switch C280-1, Circuit CCB23 (VT/GN), Harness Side And Ground
      G07798235Courtesy of FORD MOTOR CO.
    • Is the resistance greater than 10, 000 ohms? 
    • Yes  : GO to F4.
    • No  : REPAIR circuit CCB23 (VT/GN). TEST the system for normal operation.
  4. F4 CHECK THE SWITCH INPUT CIRCUIT FOR AN OPEN 
    • Measure the resistance between stability/traction control switch C280-1, circuit CCB23 (VT/GN), harness side and IC C220B-16, circuit CCB23 (VT/GN), harness side.
      Fig 2: Checking Switch Input Circuit For An Open
      G07798236Courtesy of FORD MOTOR CO.
    • Is the resistance less than 5 ohms? 
    • Yes  : GO to F5.
    • No  : REPAIR circuit CCB23 (VT/GN). TEST the system for normal operation.
  5. F5 CHECK THE SWITCH GROUND CIRCUIT FOR AN OPEN 
    • Measure the resistance between stability/traction control switch C280-6, circuit GD174 (BK/WH), harness side and ground.
      Fig 3: Measuring Resistance Between Stability/Traction Control Switch C280-6, Circuit GD174 (BK/WH), Harness Side And Ground
      G07798237Courtesy of FORD MOTOR CO.
    • Is the resistance less than 5 ohms? 
    • Yes  : GO to F6.
    • No  : REPAIR circuit GD174 (BK/WH). TEST the system for normal operation.
  6. F6 CHECK FOR CORRECT IC OPERATION 
    • Check IC C220 for:
      • corrosion.
      • pushed-out pins.
      • spread terminals.
    • Connect the IC connector and make sure it seats correctly.
    • Operate the system and verify the concern is still present.
    • Is the concern still present? 
    • Yes  : INSTALL a new IC. REFER to INFORMATION CENTER - INSTRUMENTATION AND WARNING CHIMES article. CLEAR the DTCs. REPEAT the self-test.
    • No  : The system is operating correctly at this time. The concern may have been caused by a loose or corroded connector. CLEAR the DTCs. REPEAT the self-test.