LEMON Manuals: Even more car manuals for everyone: 1960-2025
Home >> Ford >> 2011 >> Ranger 2D Pickup, Standard >> Repair and Diagnosis >> Accessories & Equipment >> Accessories Control Systems >> Component Testing >> Introduction >> Door Lock Switch, Driver Side >> Schematic
April 5, 2026: LEMON Manuals is launched! Read the announcement.

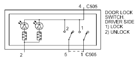
Door Lock Switch, Driver Side: Schematic

Fig 1: Identifying Door Lock Switch, Driver Side - Schematic
G07336822Courtesy of FORD MOTOR CO.