LEMON Manuals: Even more car manuals for everyone: 1960-2025
Home >> Ford >> 2012 >> Edge Sport, AWD >> Repair and Diagnosis >> Electrical >> Body Electrical >> OEM Component Testing >> Component Testing >> Window adjust switches - Edge >> Schematic
April 5, 2026: LEMON Manuals is launched! Read the announcement.

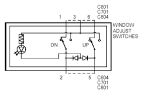
Window adjust switches - Edge: Schematic

Fig 1: Window Adjust Switches (Edge) - Component Testing
G07898815Courtesy of FORD MOTOR CO.