LEMON Manuals: Even more car manuals for everyone: 1960-2025
Home >> Ford >> 2012 >> Fiesta SES, Standard Trans >> Repair and Diagnosis >> Electrical >> Gauges >> Instrument Panel And Console >> Removal And Installation >> Instrument Panel Upper Section >> Notes
April 5, 2026: LEMON Manuals is launched! Read the announcement.

Instrument Panel Upper Section: Notes

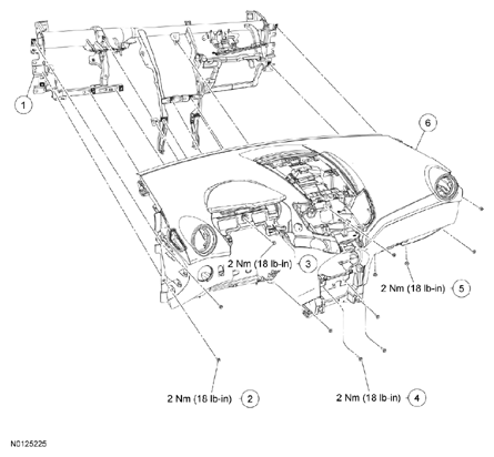
Fig 1: Instrument Panel Upper Section Related Replacement Components With Torque Specifications
G07981412Courtesy of FORD MOTOR CO.
Item Part Number Description
1 04545 In-vehicle cross car beam
2 W711557 Instrument panel screw (4 required)
3 W711557 Instrument panel front screw (2 required)
4 W711557 Instrument panel screw (4 required)
5 W711557 Lower instrument panel screw (2 required)
6 04302 Upper instrument panel