LEMON Manuals: Even more car manuals for everyone: 1960-2025
Home >> Ford >> 2012 >> Fiesta SES, Standard Trans >> Repair and Diagnosis >> Engine Performance >> Remove, Overhaul & Install >> Fuel Charging System & Fuel Control System - 1.6L >> Removal And Installation >> Fuel Rail and Fuel Injector - Exploded View
April 5, 2026: LEMON Manuals is launched! Read the announcement.

Fuel Rail and Fuel Injector - Exploded View

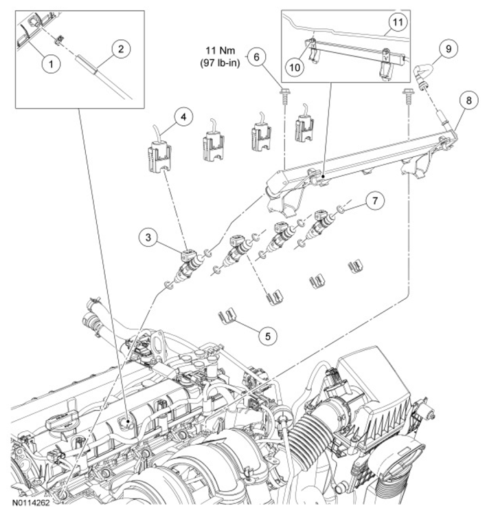
Fig 1: Exploded View Of Fuel Rail And Fuel Injector With Torque Specifications
G06937962Courtesy of FORD MOTOR CO.
Item Part Number Description
1 6582 Valve cover
2 6A664 Valve cover vent hose
3 9F593 Fuel injector (4 required)
4 - Fuel injector electrical connector (4 required) (part of 12A581)
5 9C995 Fuel injector clip (4 required)
6 W704043 Fuel rail bolt (2 required)
7 9229 Fuel injector O-ring seals (2 required per injector)
8 9D280 Fuel rail
9 - Fuel tube-to-fuel rail spring lock coupling (part of 9L291)
10 00817 Degas bottle vent hose clip
11 8B081 Degas bottle vent hose
  1. Refer to the appropriate procedures and/or exploded views in this service information for any Warnings, Notices, Notes, Materials, Specifications, and Special Tools. Items in the exploded views may not be listed in order of removal.