LEMON Manuals: Even more car manuals for everyone: 1960-2025
Home >> Ford >> 2012 >> Flex SE >> Repair and Diagnosis >> Transmission >> Automatic Trans >> Automatic Transaxle - 6F50/6F55 >> In-Vehicle Repair >> Digital Transmission Range (TR) Sensor >> Notes
April 5, 2026: LEMON Manuals is launched! Read the announcement.

Digital Transmission Range (TR) Sensor: Notes

SPECIAL TOOLS

G08042947
Manual Lever Retaining Pin Installer
307-592
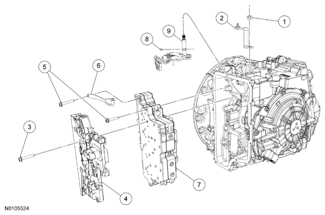
Fig 1: Exploded View Of Digital Transmission Range Sensor
G08042948Courtesy of FORD MOTOR CO.
Item Part Number Description
1 W711892 Manual lever nut
2 7A256 Manual lever
3 7J291 Bolt - solenoid body
4 7Z369 Solenoid body
5 7J291 Bolts - valve body
6 7E332 Manual valve detent spring
7 7A100 Valve body
8 7B210 Transmission Range (TR) sensor pin
9 7H557 TR sensor