LEMON Manuals: Even more car manuals for everyone: 1960-2025
Home >> Ford >> 2012 >> Fusion S, Automatic Trans >> Repair and Diagnosis >> External Pages >> Different car >> Section 1430 (Anti-Lock Brake System - Vehicle Dynamic Systems) >> Diagnostic Tests >> Anti-Lock Control >> Pinpoint Tests >> Pinpoint Test D: DTC B1484 - Brake Pedal Input Open Circuit
April 5, 2026: LEMON Manuals is launched! Read the announcement.

Pinpoint Test D: DTC B1484 - Brake Pedal Input Open Circuit

WARNING: This page is about a different car, the 2010 Lincoln Town Car. However, it is still accessible from the selected car via links, so may be relevant.

Refer to appropriate SYSTEM WIRING DIAGRAMS article, Vehicle Dynamic Systems for schematic and connector information.

Normal Operation 

Fused battery voltage is sent to the brake pedal position (BPP) switch from battery junction box (BJB) fuse 14 (20A) along circuit 1119 (RD). When the brake pedal is pressed, the BPP switch closes and the voltage is then supplied to central junction box (CJB) fuse 28 (7.5A) along circuit 511 (LG). The voltage passes through the fuse and is sent to the ABS module along circuit 1651 (WH/RD). The ABS module is provided a ground along circuit 57 (BK).

This pinpoint test is intended to diagnose the following:

PINPOINT TEST D: DTC B1484 - BRAKE PEDAL INPUT OPEN CIRCUIT 

NOTE: The Flex Probe Kit must be used for all test connections. Use of standard multi-meter probes may damage wiring terminals.
  1. D1 CHECK THE ABS MODULE BRAKE ON/OFF (BOO) PID (BOO_ABS) 
    • Connect the diagnostic tool.
    • Key in ON position.
    • Enter the following diagnostic mode on the diagnostic tool: DataLogger ABS
    • Monitor the BOO_ABS PID while pressing and releasing the brake pedal.
    • Does the ABS module BOO_ABS PID indicate ON with the brake pedal pressed and OFF with the brake pedal released? 
    1. YES  : The system is functioning correctly at this time. Go to  D6.
    2. NO  : Go to  D2.
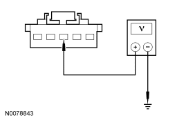
  2. D2 CHECK THE VOLTAGE TO THE BPP SWITCH 
    • Disconnect: BPP Switch C278
    • Fig 1: Measuring Voltage
      GF0047587Courtesy of FORD MOTOR CO.
    • Measure the voltage between BPP switch C278-3, circuit 1119 (RD), harness side and ground.
    • Is the voltage greater than 10 volts? 
    1. YES  : Go to  D3.
    2. NO  : VERIFY BJB fuse 14 (20A) is OK. If OK, REPAIR circuit 1119 (RD). CLEAR the DTC. REPEAT the self-test.
  3. D3 ISOLATE THE BPP SWITCH 
    • While pressing and releasing the brake pedal, measure the resistance between BPP switch pin-3, component side and pin-4, component side.
    • Is the resistance less than 5 ohms with the pedal pressed and greater than 10,000 ohms with the pedal released? 
    1. YES  : Go to  D4.
    2. NO  : VERIFY BJB fuse 14 (20A) is OK. If OK, REPAIR circuit 1651 (WH/RD). CLEAR the DTCs. REPEAT the self-test.
  4. D4 CHECK THE BPP SWITCH OUTPUT TO THE CJB 
    • Connect: BPP Switch C278
    • Disconnect: CJB Fuse 28 (7.5A)
    • While pressing and releasing the brake pedal, measure the voltage between CJB fuse 28 (7.5A), circuit 511 (LG), input side and ground.
    • Is the voltage greater than 10 volts with the pedal pressed and 0 volt with the pedal released? 
    1. YES  : Go to  D5.
    2. NO  : VERIFY CJB fuse 28 (7.5A) is OK. If OK, REPAIR circuit 511 (LG). CLEAR the DTCs. REPEAT the self-test.
  5. D5 CHECK THE BPP SWITCH OUTPUT TO THE ABS MODULE 
    NOTE: To access the ABS module connector, remove the air cleaner assembly.
    • Connect: CJB Fuse 28 (7.5A)
    • Disconnect: ABS Module C135
    • Fig 2: Measuring Voltage
      GF0019972Courtesy of FORD MOTOR CO.
    • While pressing and releasing the brake pedal, measure the voltage between ABS module C135-6, circuit 1651 (WH/RD), harness side and ground.
    • Is the voltage greater than 10 volts with the pedal pressed and 0 volt with the pedal released? 
    1. YES  : Go to  D6.
    2. NO  : REPAIR circuit 1651 (WH/RD). CLEAR the DTCs. REPEAT the self-test.
  6. D6 CHECK FOR CORRECT ABS MODULE OPERATION 
    • Check ABS module C135 for:
      • corrosion.
      • pushed-out pins.
      • spread terminals.
    • Connect: ABS Module C135
    • Make sure the connector is seated correctly, then operate the system and verify the concern is still present.
    • Is the concern still present? 
    1. YES  : INSTALL a new ABS module. REFER to Anti-Lock Brake System (ABS) Module . TEST the system for normal operation.
    2. NO  : The system is operating correctly at this time. The concern may have been caused by a loose or corroded connector. CLEAR the DTCs. REPEAT the self-test.