LEMON Manuals: Even more car manuals for everyone: 1960-2025
Home >> Ford >> 2012 >> Mustang Base, 2D Convertible, Automatic Trans >> Repair and Diagnosis >> External Pages >> Different car >> Section 1075 (Automatic Transmission) >> Description And Operation >> Transmission Description - System Operation and Component Description >> System Operation >> System Diagram
April 5, 2026: LEMON Manuals is launched! Read the announcement.

System Diagram

WARNING: This page is about a different car, the 2016 Ford F-150. However, it is still accessible from the selected car via links, so may be relevant.
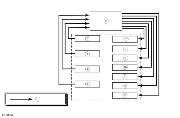
GFD41320Courtesy of FORD MOTOR COMPANY
Item Description
1 Hardwire Connection
2 PCM
3 TFT
4 TR
5 TSS
6 OSS
7 LPC
8 SSA
9 SSB
10 SSC
11 SSD
12 SSE
13 TCC