LEMON Manuals: Even more car manuals for everyone: 1960-2025
Home >> Ford >> 2012 >> Mustang Base, 2D Convertible, Automatic Trans >> Repair and Diagnosis >> External Pages >> Different car >> Section 12 (OEM Component Testing - F150) >> Component Testing >> Headlamp switch, Exterior lamps >> Schematic
April 5, 2026: LEMON Manuals is launched! Read the announcement.

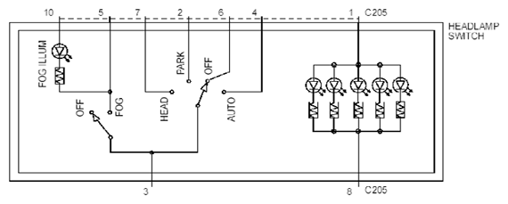
Headlamp switch, Exterior lamps: Schematic

WARNING: This page is about a different car, the 2012 Ford Pickup. However, it is still accessible from the selected car via links, so may be relevant.
Fig 1: Headlamp Switch, Exterior Lamps - Component Testing
G07907294Courtesy of FORD MOTOR CO.