LEMON Manuals: Even more car manuals for everyone: 1960-2025
Home >> Ford >> 2012 >> Mustang Base, 2D Convertible, Automatic Trans >> Repair and Diagnosis >> External Pages >> Different car >> Section 12 (OEM Component Testing - F150) >> Component Testing >> Overhead console switch assembly - Roof opening panel control switch >> Schematic
April 5, 2026: LEMON Manuals is launched! Read the announcement.

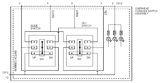
Overhead console switch assembly - Roof opening panel control switch: Schematic

WARNING: This page is about a different car, the 2012 Ford Pickup. However, it is still accessible from the selected car via links, so may be relevant.
Fig 1: Overhead Console Switch Assembly (Roof Opening Panel Control Switch) Component Testing
G07907304Courtesy of FORD MOTOR CO.