LEMON Manuals: Even more car manuals for everyone: 1960-2025
Home >> Ford >> 2012 >> Mustang Base, 2D Convertible, Automatic Trans >> Repair and Diagnosis >> External Pages >> Different car >> Section 1287 (OEM Wiring Diagrams) >> Module Communications Network
April 5, 2026: LEMON Manuals is launched! Read the announcement.

Module Communications Network

WARNING: This page is about a different car, the 2017 Ford F-150. However, it is still accessible from the selected car via links, so may be relevant.
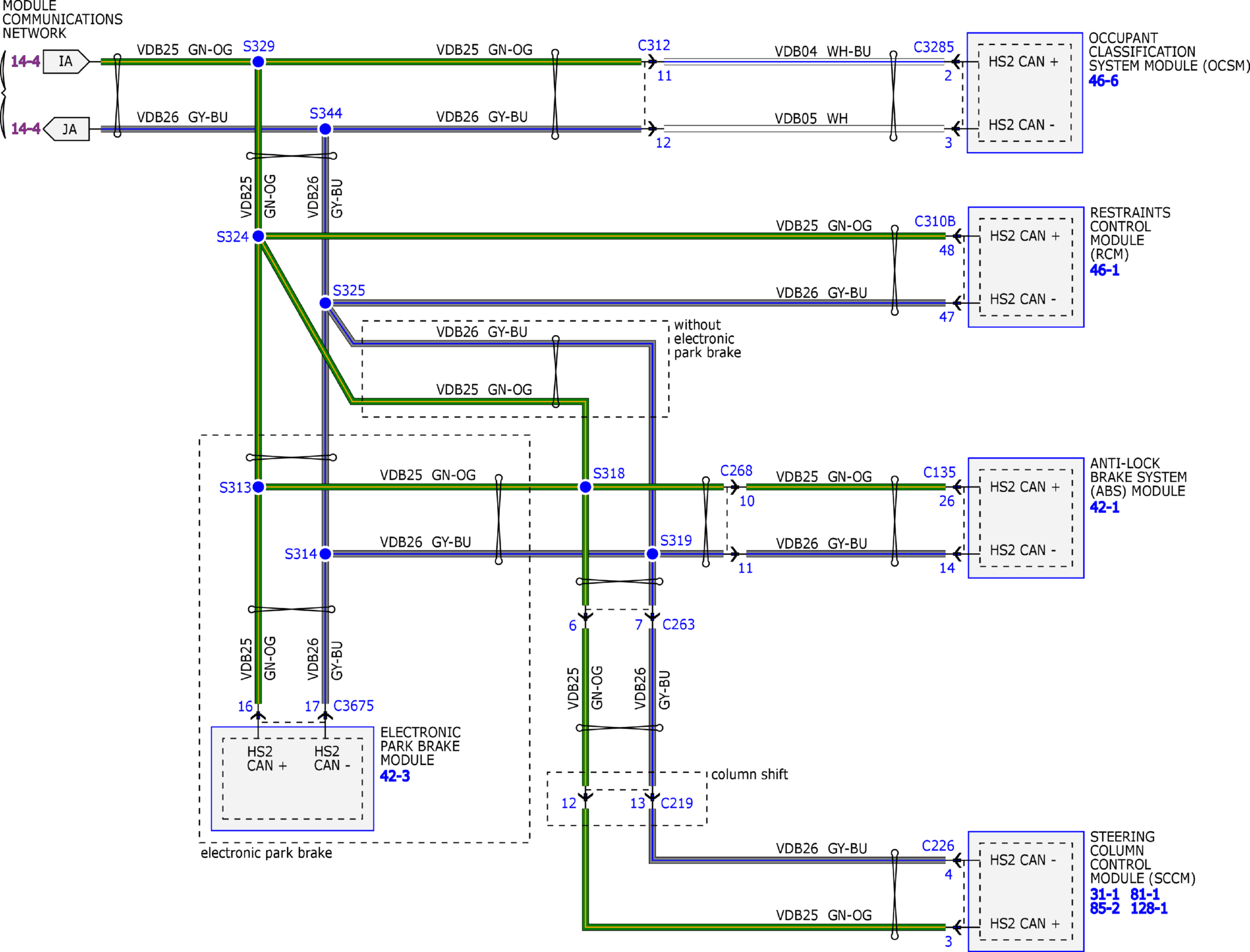
Fig 1: Module Communications Network Wiring Diagram (1 Of 12)
GFDW75153Courtesy of FORD MOTOR COMPANY
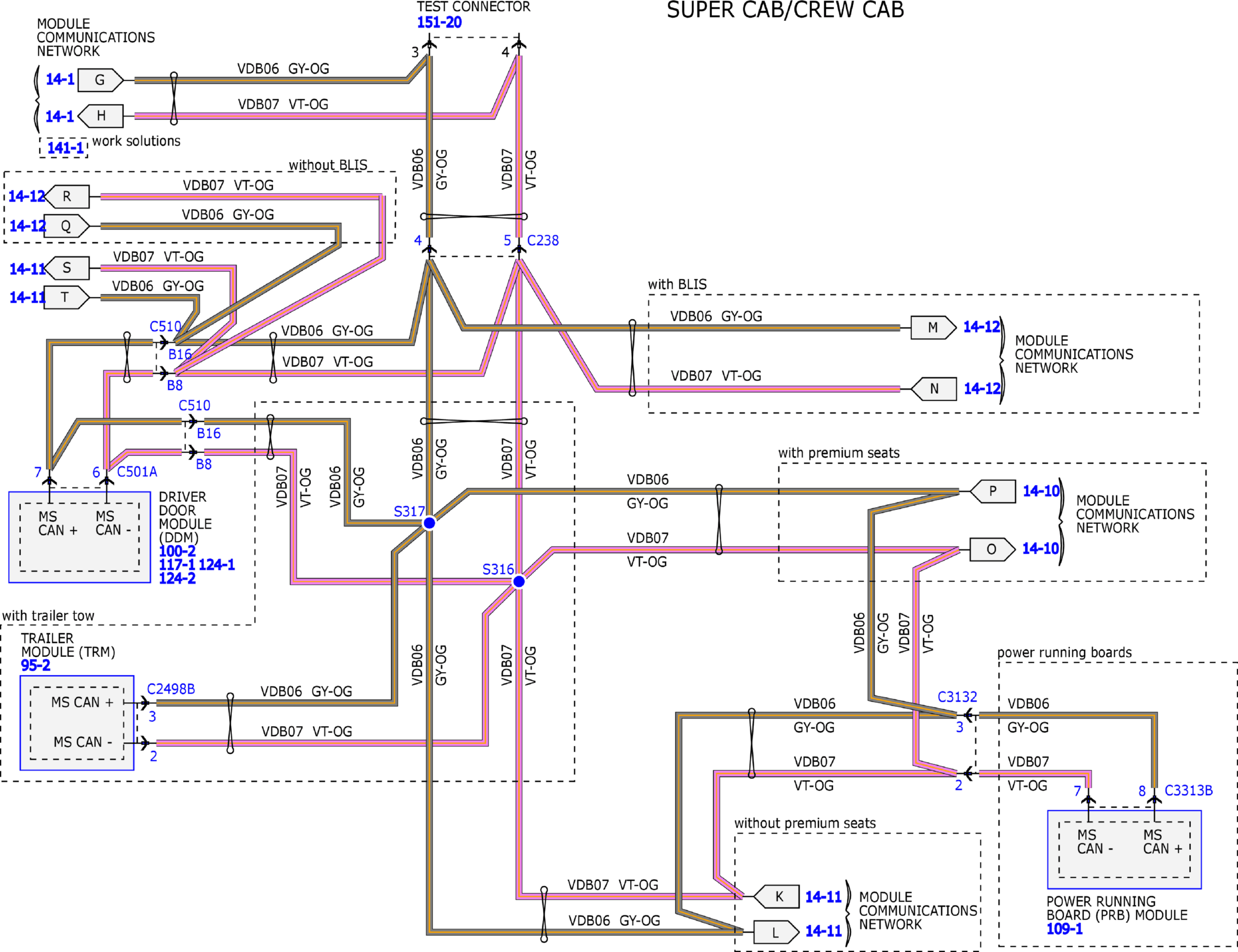
Fig 2: Module Communications Network Wiring Diagram (2 Of 12)
GFDW75154Courtesy of FORD MOTOR COMPANY
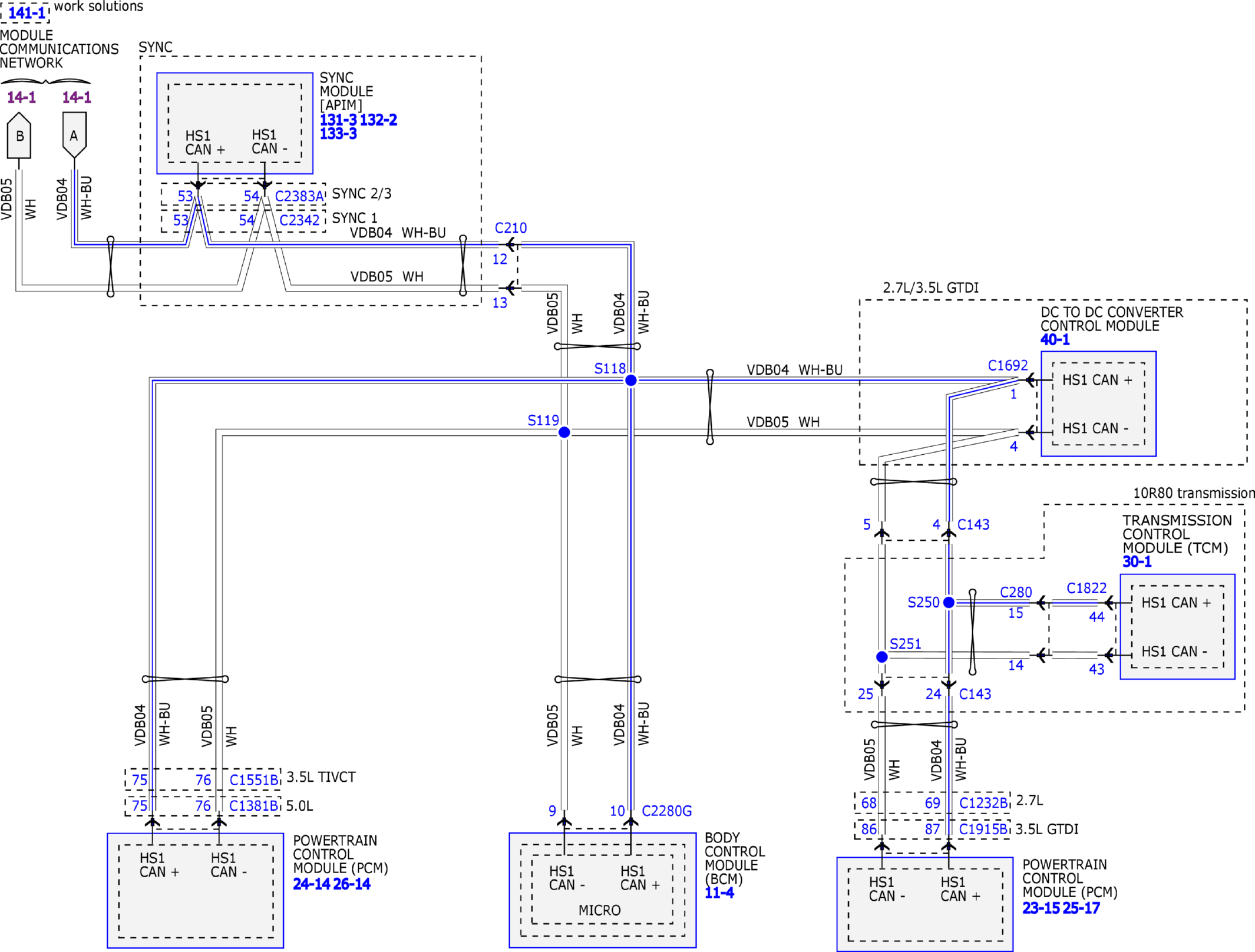
Fig 3: Module Communications Network Wiring Diagram (3 Of 12)
GFDW75155Courtesy of FORD MOTOR COMPANY
Fig 4: Module Communications Network Wiring Diagram (4 Of 12)
GFDW75156Courtesy of FORD MOTOR COMPANY
Fig 5: Module Communications Network Wiring Diagram (5 Of 12)
GFDW75157Courtesy of FORD MOTOR COMPANY
Fig 6: Module Communications Network Wiring Diagram (6 Of 12)
GFDW75158Courtesy of FORD MOTOR COMPANY
Fig 7: Module Communications Network Wiring Diagram (7 Of 12)
GFDW75159Courtesy of FORD MOTOR COMPANY
Fig 8: Module Communications Network Wiring Diagram (8 Of 12)
GFDW75160Courtesy of FORD MOTOR COMPANY
Fig 9: Module Communications Network Wiring Diagram (9 Of 12)
GFDW75161Courtesy of FORD MOTOR COMPANY
Fig 10: Module Communications Network Wiring Diagram (10 Of 12)
GFDW75162Courtesy of FORD MOTOR COMPANY
Fig 11: Module Communications Network Wiring Diagram (11 Of 12)
GFDW75163Courtesy of FORD MOTOR COMPANY
Fig 12: Module Communications Network Wiring Diagram (12 Of 12)
GFDW75164Courtesy of FORD MOTOR COMPANY