LEMON Manuals: Even more car manuals for everyone: 1960-2025
Home >> Ford >> 2012 >> Mustang Base, 2D Convertible, Automatic Trans >> Repair and Diagnosis >> External Pages >> Different car >> Section 631 (OEM Wiring Diagrams) >> Module Communications Network
April 5, 2026: LEMON Manuals is launched! Read the announcement.

Module Communications Network

WARNING: This page is about a different car, the 2015 Ford F-150. However, it is still accessible from the selected car via links, so may be relevant.
Fig 1: Module Communications Network System Wiring Diagrams (1 Of 11)
GFDW15521Courtesy of FORD MOTOR COMPANY
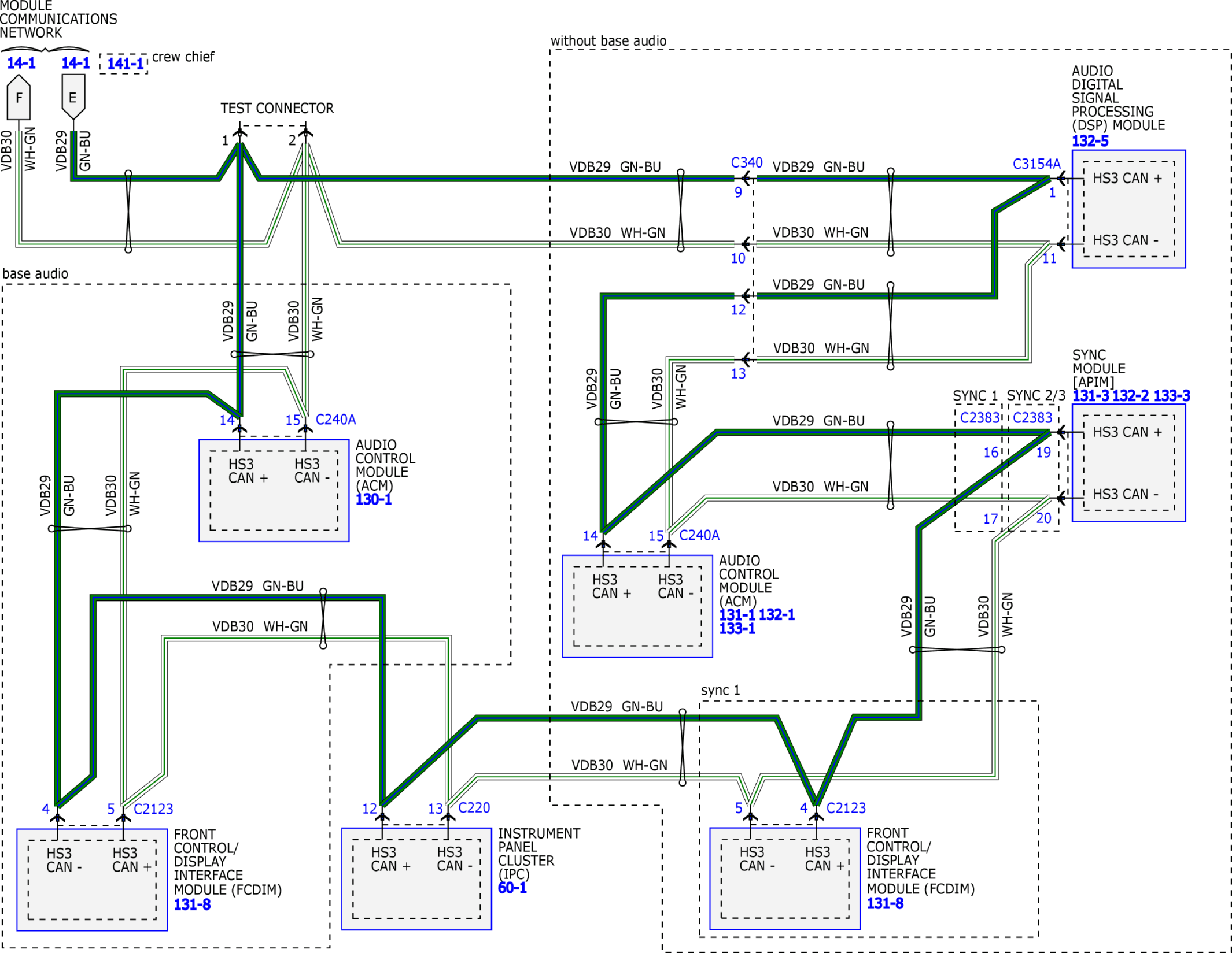
Fig 2: Module Communications Network System Wiring Diagrams (2 Of 11)
GFDW15522Courtesy of FORD MOTOR COMPANY
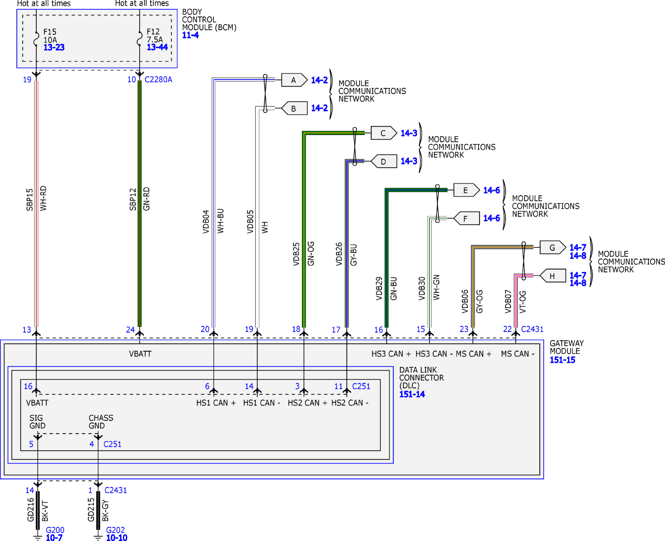
Fig 3: Module Communications Network System Wiring Diagrams (3 Of 11)
GFDW15523Courtesy of FORD MOTOR COMPANY
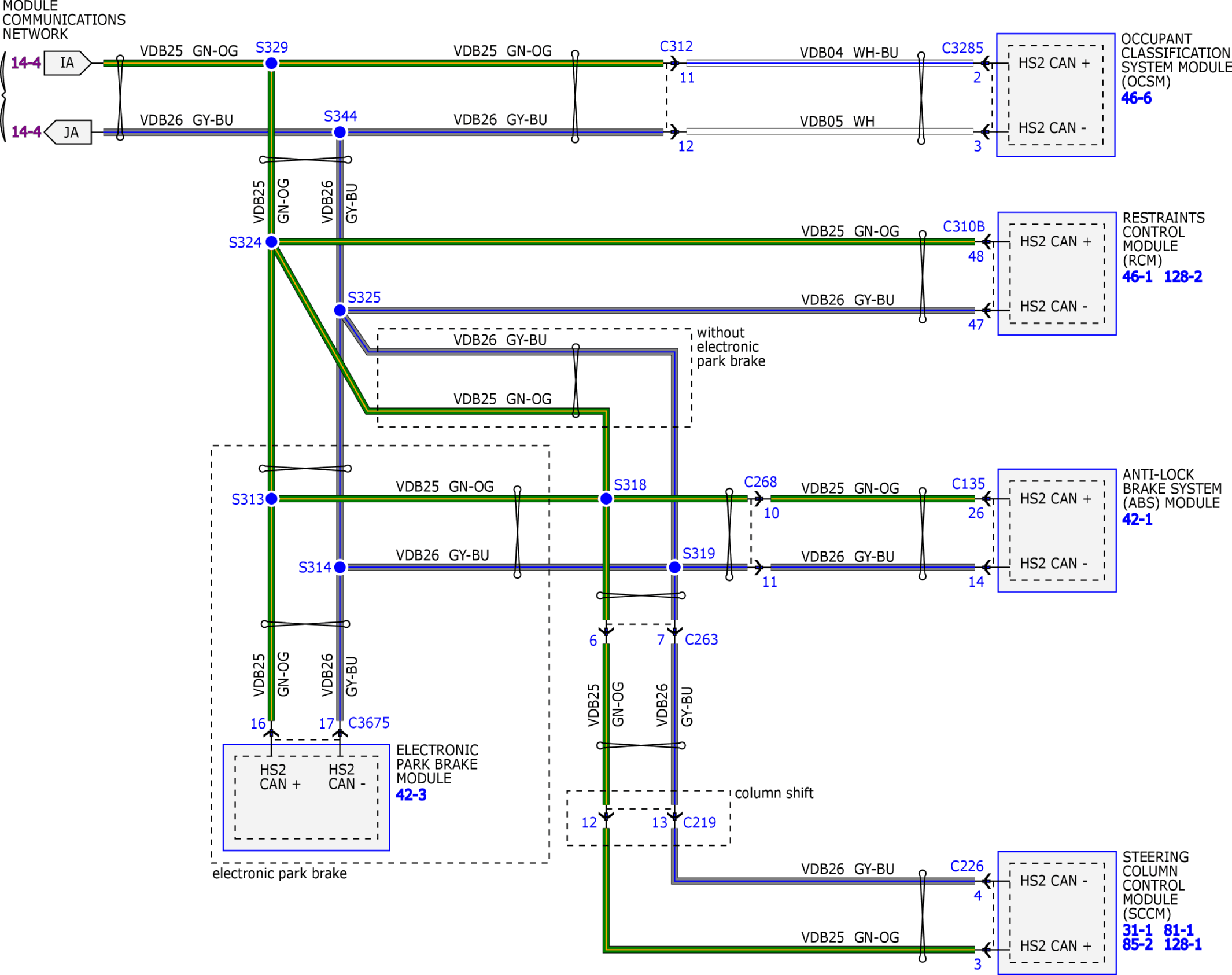
Fig 4: Module Communications Network System Wiring Diagrams (4 Of 11)
GFDW15524Courtesy of FORD MOTOR COMPANY
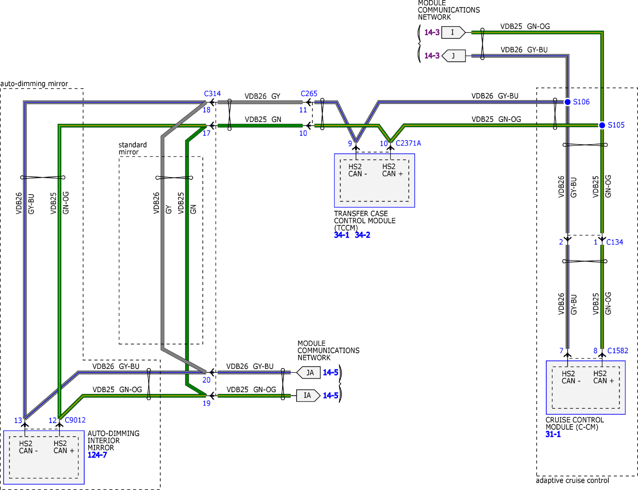
Fig 5: Module Communications Network System Wiring Diagrams (5 Of 11)
GFDW15525Courtesy of FORD MOTOR COMPANY
Fig 6: Module Communications Network System Wiring Diagrams (6 Of 11)
GFDW15526Courtesy of FORD MOTOR COMPANY
Fig 7: Module Communications Network System Wiring Diagrams (7 Of 11)
GFDW15527Courtesy of FORD MOTOR COMPANY
Fig 8: Module Communications Network System Wiring Diagrams (8 Of 11)
GFDW15528Courtesy of FORD MOTOR COMPANY
Fig 9: Module Communications Network System Wiring Diagrams (9 Of 11)
GFDW15529Courtesy of FORD MOTOR COMPANY
Fig 10: Module Communications Network System Wiring Diagrams (10 Of 11)
GFDW15530Courtesy of FORD MOTOR COMPANY
Fig 11: Module Communications Network System Wiring Diagrams (11 Of 11)
GFDW15531Courtesy of FORD MOTOR COMPANY