LEMON Manuals: Even more car manuals for everyone: 1960-2025
Home >> Ford >> 2012 >> Mustang Base, 2D Convertible, Standard Trans >> Repair and Diagnosis >> External Pages >> Different car >> Section 1488 (Seating System - Pinpoint Test BA - Pinpoint Test CE) >> Pinpoint Test Bl : DTC B2729 >> Pinpoint Test Bl : DTC B2729
April 5, 2026: LEMON Manuals is launched! Read the announcement.

Pinpoint Test Bl : DTC B2729

WARNING: This page is about a different car, the 2015 Lincoln MKT. However, it is still accessible from the selected car via links, so may be relevant.
NOTE: When taking measurements at PCSM-2 harness connectors, do not insert the electrical probes into the female connector pins. Inserting the probes into connector pins can cause intermittent or open electrical connections after reassembly resulting in Diagnostic Trouble Codes (DTCs) and system failure. Touching the tip of these connector pins is recommended instead.

  1. BL1 CHECK THE PCSM-2 FOR ON-DEMAND DTCs

    • Start the vehicle and set the driver side rear seat to HIGH heat.
    • Enter the following diagnostic mode on the scan tool: Self Test - PCSM-2.

    Was DTC B2729 retrieved on-demand during the self-test? 

    Yes  GO to  BL2.
    No  GO to  BL5.
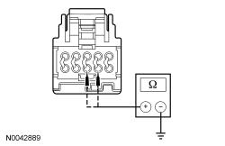
  2. BL2 CHECK THE DRIVER SIDE REAR SEAT CUSHION TED THERMISTOR CIRCUITS FOR A SHORT TO GROUND

    • Ignition OFF.
    • WARNING: Turn the ignition OFF and wait one minute to deplete the backup power supply. Failure to follow this instruction may result in serious personal injury or death in the event of an accidental deployment.

      If equipped with inflatable safety belts, disconnect: 2nd Row Safety Belt Inflator C3644 (LH).

    • Disconnect: PCSM-2 C3365B.
    • Disconnect: Driver Seat Cushion TED C3358.
    • Measure the resistance between:
      • PCSM-2 C3365B-7 , circuit VHS42 (GN), harness side and ground.
      • PCSM-2 C3365B-8 , circuit RHS42 (BN/WH), harness side and ground.
    1. GFD95344Courtesy of FORD MOTOR COMPANY

    Are the resistances greater than 10, 000 ohms? 

    Yes  GO to  BL3.
    No  REPAIR the circuit(s). CLEAR the DTCs. REPEAT the self-test. If equipped with inflatable safety belts, GO to  BL22.
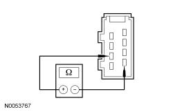
  3. BL3 CHECK THE DRIVER SEAT CUSHION TED THERMISTOR AND WIRING

    • Connect: Driver Seat Cushion TED C3358.
    • Measure the resistance between PCSM-2 C3365B-7 , circuit VHS42 (GN), harness side and PCSM-2 C3365B-8 , circuit RHS42 (BN/WH), harness side. Note the ambient temperature and refer to the following table.
      Temperature Resistance
      0-10°C (32-50°F) 2, 782-1, 663 ohms
      10-20°C (50-68°F) 1, 837-1, 140 ohms
      20-30°C (68-86°F) 1, 260-806 ohms
      30-40°C (86-104°F) 893-570 ohms
      40-50°C (104-122°F) 630-428 ohms
    1. GFD95345Courtesy of FORD MOTOR COMPANY

    Is the resistance within the limits indicated? 

    Yes  GO to  BL18.
    No  GO to  BL4.
  4. BL4 CHECK THE DRIVER SIDE REAR SEAT CUSHION TED THERMISTOR

    • Disconnect: Driver Side Rear Seat Cushion TED C3358.
    • Measure the resistance between driver side rear seat cushion TED C3358 pin 5 and pin 8, component side. Note the ambient temperature and refer to the following table.
      Temperature Resistance
      0-10°C (32-50°F) 2, 782-1, 663 ohms
      10-20°C (50-68°F) 1, 837-1, 140 ohms
      20-30°C (68-86°F) 1, 260-806 ohms
      30-40°C (86-104°F) 893-570 ohms
      40-50°C (104-122°F) 630-428 ohms
    1. GFD95346Courtesy of FORD MOTOR COMPANY

    Is the resistance within the limits indicated? 

    Yes  REPAIR circuit VHS42 (GN) or RHS42 (BN/WH) for an open or high resistance. CLEAR the DTCs. REPEAT the self-test. If equipped with inflatable safety belts, GO to  BL22.
    No  INSTALL a new driver side rear seat cushion TED. REFER to Seat Cushion Thermo-Electric Device - Second Row in this service information. CLEAR the DTCs. REPEAT the self-test. If equipped with inflatable safety belts, GO to  BL22.
  5. BL5 CONFIRM THE FAULT WHILE MONITORING THE PCSM-2 SEAT BACK THERMAL ELECTRIC DEVICE TEMPERATURE (BK_TEMP) AND SEAT CUSHION THERMAL ELECTRIC DEVICE TEMPERATURE (CSHTEMP) PIDs

    • Set the driver side rear seat to OFF.
    • Enter the following diagnostic mode on the scan tool: Clear DTCs - PCSM-2.
    • Enter the following diagnostic mode on the scan tool: DataLogger - PCSM-2.
    • Monitor the PCSM-2 PIDs BK_TEMP and CSHTEMP.
    • NOTE: A crushed seat cushion foam pad or a crushed climate controlled seat manifold may be the cause of the fault making it necessary to occupy the seat to recreate and identify the fault.

      Attempt to recreate the fault. Start the vehicle and set the driver side rear seat to HIGH heat for at least 15 minutes while occupying the seat.

    Do the PIDs increase incrementally (gradually) and stay within 15°C (27°F) of each other? 

    Yes  Fault not present at this time. Fault may have been set due to a past failure, incorrect use of the climate controlled seat system by repeated switching between heat and cool modes or due to excessive passenger compartment temperature. CLEAR the DTCs. REPEAT the self-test.
    No  If the CSHTEMP PID increases incrementally and is greater than 15°C (27°F) of the BK_TEMP PID, GO to  BL6. If the CSHTEMP PID increases quickly (temperature "jumps" and does not increase incrementally) and is greater than 15°C (27°F) of the BK_TEMP PID, GO to  BL16.
  6. BL6 COMPARE OPERATION OF THE DRIVER AND PASSENGER SIDE REAR SEATS

    • With the engine running, set both rear seats to HIGH cool.
    • Note the airflow exhausting from the driver side rear seat cushion TED and compare it to the airflow exhausting from the passenger side rear seat cushion TED.
    • Carry out a wiggle test of the wire harnesses between the PCSM-2 and the driver side rear seat cushion TED while monitoring blower operation of the TED. The blower should operate consistently and not change speeds

    Is the airflow exhausting from the driver side rear seat cushion TED comparable to the airflow exhausting from the passenger side rear seat cushion TED with no change in operation when carrying out the wiggle test? 

    Yes  GO to  BL7.
    No  If the airflow exhausting from the driver side rear seat cushion TED is not comparable to the airflow exhausting from the passenger side rear seat cushion TED, GO to  BL8. If the driver side rear seat cushion TED blower operation changed while carrying out the wiggle test, IDENTIFY and REPAIR the wiring fault. CLEAR the DTCs. REPEAT the self-test.
  7. BL7 COMPARE OPERATION OF THE DRIVER AND PASSENGER SIDE REAR SEATS WHILE OCCUPIED

    • Note the airflow exhausting from the driver side rear seat cushion TED with the seat occupied and compare it to the airflow exhausting from the passenger side rear seat cushion TED with the passenger seat occupied.

    Is the airflow exhausting from the driver side rear seat cushion TED comparable to the airflow exhausting from the passenger side rear seat cushion TED ? 

    Yes  GO to  BL16.
    No  INSTALL a new seat cushion foam pad and/or climate controlled seat manifold. CLEAR the DTCs. REPEAT the self-test.
  8. BL8 CHECK THE DRIVER SIDE REAR SEAT CUSHION BLOWER FOR AN OBSTRUCTION OR RESTRICTED FILTER

    • Ignition OFF.
    • Inspect the blower of the driver side rear seat cushion TED assembly for an obstruction or for a restricted filter.

    Is the blower obstructed or the filter restricted? 

    Yes  REMOVE the obstruction or INSTALL a new filter. CLEAR the DTCs. REPEAT the self-test.
    No  GO to  BL9.
  9. BL9 CHECK THE DRIVER SEAT CUSHION BLOWER SPEED CONTROL CIRCUIT FOR AN OPEN

    • Ignition OFF.
    • WARNING: Turn the ignition OFF and wait one minute to deplete the backup power supply. Failure to follow this instruction may result in serious personal injury or death in the event of an accidental deployment.

      If equipped with inflatable safety belts, disconnect: 2nd Row Safety Belt Inflator C3644 (LH).

    • Disconnect: PCSM-2 C3365C.
    • Disconnect: Driver Seat Cushion TED C3358.
    • Measure the resistance between PCSM-2 C3365C-11 , circuit VHS70 (YE), harness side and driver side rear seat cushion TED C3358-7 , circuit VHS70 (YE), harness side.
    1. GFD95347Courtesy of FORD MOTOR COMPANY

    Is the resistance less than 3 ohms? 

    Yes  GO to  BL10.
    No  REPAIR the circuit. CLEAR the DTCs. REPEAT the self-test. If equipped with inflatable safety belts, GO to  BL22.
  10. BL10 CHECK THE DRIVER SIDE REAR SEAT CUSHION BLOWER CIRCUIT FOR A SHORT TO VOLTAGE

    • Ignition ON.
    • Measure the voltage between PCSM-2 C3365C-15 , circuit RHS67 (WH/BU), harness side and ground.
    1. GFD95348Courtesy of FORD MOTOR COMPANY

    Is any voltage present? 

    Yes  REPAIR the circuit. CLEAR the DTCs. REPEAT the self-test. If equipped with inflatable safety belts, GO to  BL22.
    No  GO to  BL11.
  11. BL11 CHECK THE DRIVER SIDE REAR SEAT CUSHION BLOWER CIRCUIT FOR A SHORT TO GROUND

    • Ignition OFF.
    • Measure the resistance between PCSM-2 C3365C-16 , circuit CHS67 (VT/BN), harness side and ground.
    1. GFD95314Courtesy of FORD MOTOR COMPANY

    Is the resistance greater than 10, 000 ohms? 

    Yes  GO to  BL12.
    No  REPAIR the circuit. CLEAR the DTCs. REPEAT the self-test. If equipped with inflatable safety belts, GO to  BL22.
  12. BL12 CHECK THE DRIVER SIDE REAR SEAT CUSHION BLOWER CIRCUITS FOR AN OPEN

    • Measure the resistance between:
      • PCSM-2 C3365C-16 , circuit CHS67 (VT/BN), harness side and driver seat cushion TED C3358-2 , circuit CHS67 (VT/BN), harness side.
      • PCSM-2 C3365C-15 , circuit RHS67 (WH/BU), harness side and driver seat cushion TED C3358-4 , circuit RHS67 (WH/BU), harness side.
    1. GFD95349Courtesy of FORD MOTOR COMPANY

    Are the resistances less than 3 ohms? 

    Yes  GO to  BL13.
    No  REPAIR the circuit(s). CLEAR the DTCs. REPEAT the self-test. If equipped with inflatable safety belts, GO to  BL22.
  13. BL13 CHECK THE DRIVER SIDE REAR SEAT CUSHION BLOWER RESISTANCE

    • NOTE: The ohmmeter must be connected with the positive lead to pin 2 and the negative lead to pin 4 when measuring. Ohmmeter leads incorrectly connected results in false readings and leads to incorrect identification of components that are not damaged.

      Measure the resistance between driver side rear seat cushion TED C3358 pin 2 and pin 4, component side.

    1. GFD95316Courtesy of FORD MOTOR COMPANY

    Is the resistance between 4, 000 ohms and 10, 000 ohms? 

    Yes  GO to  BL14.
    No  INSTALL a new driver side rear seat cushion TED. REFER to Seat Cushion Thermo-Electric Device - Second Row in this service information. CLEAR the DTCs. REPEAT the self-test. If equipped with inflatable safety belts, GO to  BL22.
  14. BL14 CHECK THE DRIVER SIDE REAR SEAT CUSHION BLOWER SPEED CONTROL RESISTANCE

    • NOTE: The ohmmeter must be connected with the positive lead to pin 7 and the negative lead to pin 4 when measuring. Ohmmeter leads incorrectly connected results in false readings and leads to incorrect identification of components that are not damaged.

      Measure the resistance between driver side rear seat cushion TED C3358 pin 7 and pin 4, component side.

    1. GFD95350Courtesy of FORD MOTOR COMPANY

    Is the resistance between 240K ohms and 400K ohms? 

    Yes  GO to  BL15.
    No  INSTALL a new driver side rear seat cushion TED. REFER to Seat Cushion Thermo-Electric Device - Second Row in this service information. CLEAR the DTCs. REPEAT the self-test. If equipped with inflatable safety belts, GO to  BL22.
  15. BL15 CHECK THE DRIVER SIDE REAR SEAT CUSHION TED INSTALLATION AND FOR CRUSHED SEAT CUSHION

    • Ignition OFF.
    • Inspect the seat cushion for the following:
      • Is the seat cushion TED correctly installed?
      • Is the seat cushion seat cushion foam pad crushed or restricted?
      • Is the seat cushion climate controlled seat manifold crushed or restricted?

    Is the driver side rear seat cushion TED correctly installed and are there no signs of damage to the foam pad and manifold? 

    Yes  INSTALL the driver side rear seat cushion cover and seat and GO to  BL18.
    No  CORRECTLY install the driver side rear seat cushion TED or INSTALL a new driver side rear seat cushion foam pad and/or climate controlled seat manifold. CLEAR the DTCs. REPEAT the self-test. If equipped with inflatable safety belts, GO to  BL22.
  16. BL16 CHECK THE DRIVER SIDE REAR SEAT CUSHION TED THERMISTOR AND WIRING

    • Ignition OFF.
    • WARNING: Turn the ignition OFF and wait one minute to deplete the backup power supply. Failure to follow this instruction may result in serious personal injury or death in the event of an accidental deployment.

      If equipped with inflatable safety belts, disconnect: 2nd Row Safety Belt Inflator C3644 (LH).

    • Disconnect: PCSM-2 C3365B.
    • Measure the resistance between PCSM-2 C3365B-7 , circuit VHS42 (GN), harness side and C3365B-8 circuit RHS42 (BN/WH), harness side. Note the ambient temperature and refer to the following table.
      Temperature Resistance
      0-10°C (32-50°F) 2, 782-1, 663 ohms
      10-20°C (50-68°F) 1, 837-1, 140 ohms
      20-30°C (68-86°F) 1, 260-806 ohms
      30-40°C (86-104°F) 893-570 ohms
      40-50°C (104-122°F) 630-428 ohms
    1. GFD95351Courtesy of FORD MOTOR COMPANY

    Is the resistance within the limits indicated? 

    Yes  GO to  BL18.
    No  GO to  BL17.
  17. BL17 CHECK THE DRIVER SIDE REAR SEAT CUSHION TED THERMISTOR

    • Measure the resistance between driver side rear seat cushion TED C3358 pin 5 and pin 8, component side. Note the ambient temperature and refer to the following table.
      Temperature Resistance
      0-10°C (32-50°F) 2, 782-1, 663 ohms
      10-20°C (50-68°F) 1, 837-1, 140 ohms
      20-30°C (68-86°F) 1, 260-806 ohms
      30-40°C (86-104°F) 893-570 ohms
      40-50°C (104-122°F) 630-428 ohms
    1. GFD95346Courtesy of FORD MOTOR COMPANY

    Is the resistance within the limits indicated? 

    Yes  REPAIR circuit VHS42 (GN) or RHS42 (BN/WH) for an open or high resistance. CLEAR the DTCs. REPEAT the self-test. If equipped with inflatable safety belts, GO to  BL22.
    No  INSTALL a new TED. REFER to Seat Cushion Thermo-Electric Device - Second Row in this service information. CLEAR the DTCs. REPEAT the self-test. If equipped with inflatable safety belts, GO to  BL22.
  18. BL18 CHECK THE DRIVER SIDE REAR SEAT CUSHION TED HEATING/COOLING CIRCUITRY CURRENT DRAW

    • Connect: All PCSM-2, TED and body harness-to-seat harness connectors.
    • NOTE: It may be necessary to open the seat wire harness conduit to allow placing the inductive current probe around the circuit as described in the following step. Care must be taken when opening up the wire harness so as not to damage any wiring or connectors. Do not damage any wiring or induce stress on any wiring or connectors. Close up the wire harness once repairs to the seat are complete.
      NOTE: Use a commercially available inductive current probe (such as Electronic Specialties Current Probe/Multimeter 685 or a Fluke I410 [used with a digital multimeter]) or the low current probe from the Vehicle Measurement Module available for use with Integrated Diagnostic System (IDS). If these are unavailable, the inductive current probe feature from a battery tester may be substituted.

      Place an inductive current probe around circuit CHS39 (GN/BU) near PCSM-2 C3365A-G and monitor the current draw.

    • Start the vehicle and set the driver side rear seat to HIGH heat.

    Is the current draw less than 11 amps? 

    Yes  GO to  BL19.
    No  INSTALL a new driver side rear seat cushion TED. REFER to Seat Cushion Thermo-Electric Device - Second Row in this service information. CLEAR the DTCs. REPEAT the self-test. If equipped with inflatable safety belts, GO to  BL22.
  19. BL19 CHECK RESISTANCE OF THE DRIVER SIDE REAR SEAT CUSHION TED AND WIRING

    • Ignition OFF.
    • Disconnect: PCSM-2 C3365A.
    • Measure the resistance between PCSM-2 C3365A-G circuit CHS39 (GN/BU), harness side and C3365A-H , circuit RHS39 (VT/OG), harness side.
    1. GFD95352Courtesy of FORD MOTOR COMPANY

    Is the resistance between 0.9 and 10 ohms? 

    Yes  GO to  BL21.
    No  GO to  BL20.
  20. BL20 CHECK THE RESISTANCE OF THE DRIVER SIDE REAR SEAT CUSHION TED

    • Disconnect: Driver Side Rear Seat Cushion TED C3358.
    • Measure the resistance between driver side rear seat cushion TED C3358 pin 1 and pin 3, component side.
    1. GFD95308Courtesy of FORD MOTOR COMPANY

    Is the resistance between 0.9 and 10 ohms? 

    Yes  REPAIR circuit CHS39 (GN/BU) or RHS39 (VT/OG) for an open or high resistance. CLEAR the DTCs. REPEAT the self-test. If equipped with inflatable safety belts, GO to  BL22.
    No  INSTALL a new driver side rear seat cushion TED. REFER to Seat Cushion Thermo-Electric Device - Second Row in this service information. CLEAR the DTCs. REPEAT the self-test. If equipped with inflatable safety belts, GO to  BL22.
  21. BL21 CHECK FOR CORRECT PCSM-2 OPERATION

    • Inspect the PCSM-2 and driver side rear seat cushion TED harness and component side connectors and the body harness-to-seat harness connectors for:
      • corrosion
      • damaged pins
      • pushed-out pins
    • Connect: All PCSM-2, TED and Body Harness-to-Seat Harness Connectors.
    • Make sure the connectors are seated correctly.
    • Start the engine.
    • Set the driver seat to OFF.
    • Enter the following diagnostic mode on the scan tool: Clear DTCs - PCSM-2.
    • Attempt to recreate the fault. With the engine still running set the driver side rear seat to HIGH heat for at least 15 minutes.

    Is the concern still present? 

    Yes  INSTALL a new PCSM-2. REFER to Passenger Climate - Controlled Seat Module (PCSM-2) in this service information. REPEAT the self-test. TEST the system for normal operation. If equipped with inflatable safety belts, GO to  BL22.
    No  The system is operating correctly at this time. The concern may have been caused by a loose or corroded connector. If equipped with inflatable safety belts, GO to  BL22.
  22. BL22 CHECK FOR SRS DTCs

    WARNING: Turn the ignition OFF and wait one minute to deplete the backup power supply. Failure to follow this instruction may result in serious personal injury or death in the event of an accidental deployment.

    • Ignition OFF.
    • Connect: 2nd Row Safety Belt Inflator C3644 (LH).
    • Ignition ON.
    • Using a scan tool, clear the RCM DTCs.
    • Cycle the ignition OFF then ON.
    • Using a scan tool, perform RCM self-test.

    Are any RCM DTCs retrieved during self-test? 

    Yes  REFER to Supplemental Restraint System for pinpoint test direction.
    No  The repair is complete. RETURN the vehicle to the customer.