LEMON Manuals: Even more car manuals for everyone: 1960-2025
Home >> Ford >> 2012 >> Mustang Base, 2D Convertible, Standard Trans >> Repair and Diagnosis >> External Pages >> Different car >> Section 575 (Engine Ignition System - 3.7L) >> Removal And Installation >> Engine Ignition Components - Exploded View
April 5, 2026: LEMON Manuals is launched! Read the announcement.

Engine Ignition Components - Exploded View

WARNING: This page is about a different car, the 2014 Ford F-150. However, it is still accessible from the selected car via links, so may be relevant.
NOTE: For information on Ford Color Coded Illustrations refer to COLOR-CODING - FORD .
NOTE: LH side shown in illustration, RH side similar
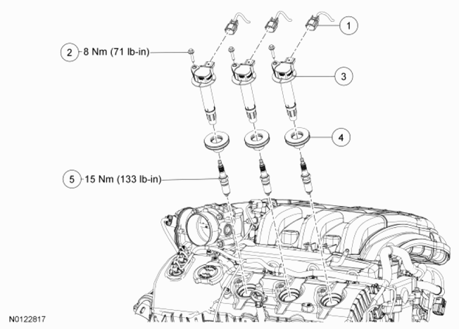
Fig 1: Exploded View Of Engine Ignition Components With Torque Specifications
G07411497Courtesy of FORD MOTOR CO.
Item Part Number Description
1 - Ignition coil-on-plug electrical connector (part of 9D930) (3 required)
2 W714507 Ignition coil-on-plug bolt (3 required)
3 12029 Ignition coil-on-plug (3 required)
4 12025 Ignition coil-on-plug seal (3 required)
5 12405 Spark plug (3 required)
  1. Refer to the appropriate procedures and/or exploded views for any Warnings, Notices, Notes, Materials, Specifications, and Special Tools. Items in the exploded views may not be listed in order of removal.