LEMON Manuals: Even more car manuals for everyone: 1960-2025
Home >> Ford >> 2012 >> Taurus SE >> Repair and Diagnosis >> External Pages >> Different car >> Section 1719 (Component Testing (Except Hybrid)) >> Introduction >> Exterior Rear View Mirror Switch >> Schematic
April 5, 2026: LEMON Manuals is launched! Read the announcement.

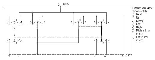
Exterior Rear View Mirror Switch: Schematic

WARNING: This page is about a different car, the 2011 Mercury Milan, 2011 Lincoln MKZ, and 2011 Ford Fusion. However, it is still accessible from the selected car via links, so may be relevant.
Fig 1: Identifying Exterior Rear View Mirror Switch - Schematic
G07335481Courtesy of FORD MOTOR CO.