LEMON Manuals: Even more car manuals for everyone: 1960-2025
Home >> Ford >> 2012 >> Taurus SEL, AWD >> Repair and Diagnosis >> External Pages >> Different car >> Section 754 (Anti-Theft System) >> Diagnostic Tests >> Anti-Theft >> Pinpoint Tests >> Pinpoint Test E: DTC B1681 - PATS Transceiver Module Signal Is Not Received >> Pinpoint Test E: DTC B1681- Pats Transceiver Module Signal Is Not Received
April 5, 2026: LEMON Manuals is launched! Read the announcement.

Pinpoint Test E: DTC B1681- Pats Transceiver Module Signal Is Not Received

WARNING: This page is about a different car, the 2007 Lincoln Mark LT and 2007 Ford Pickup. However, it is still accessible from the selected car via links, so may be relevant.
CAUTION: Use the correct probe adapter(s) when making measurements. Failure to use the correct probe adapter(s) may damage the connector.
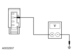
  1. E1 CHECK THE PATS TRANSCEIVER POWER CIRCUIT 1266 (RD/YE) FOR VOLTAGE 
    • Key in OFF position.
    • Disconnect: PATS Transceiver C252
    • Key in ON position.
    • Measure the voltage between the PATS transceiver C252-1, circuit 1266 (RD/YE), harness side and ground.
      Fig 1: Checking PATS Transceiver Ground Circuit 875 (BK/LB) For Open
      GF0004723Courtesy of FORD MOTOR CO.
    • Is the voltage greater than 10 volts? 
    1. YES  : Go to  E2.
    2. NO  : VERIFY the CJB fuse 28 (5A) is OK. If OK, REPAIR the circuit. CLEAR the DTCs. CYCLE the ignition. REPEAT the self-test.
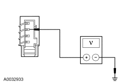
  2. E2 CHECK THE PATS TRANSCEIVER GROUND CIRCUIT 875 (BK/LB) FOR AN OPEN 
    • Key in OFF position.
    • Measure the resistance between the PATS transceiver C252-2, circuit 875 (BK/LB), harness side and ground.
      Fig 2: Checking PATS Transceiver Ground Circuit 875 (BK/LB) For Open
      GF0004724Courtesy of FORD MOTOR CO.
    • Is the resistance less than 5 ohms? 
    1. YES  : Go to  E3.
    2. NO  : REPAIR the circuit. CLEAR the DTCs. CYCLE the ignition. REPEAT the self-test.
  3. E3 CHECK THE PATS TRANSCEIVER RECEIVE CIRCUIT 1216 (GY/OG) FOR VOLTAGE 
    • Connect: PATS Transceiver C252
    • Key in ON position.
    • Measure the voltage by backprobing between the PATS transceiver C252-4, circuit 1216 (GY/OG), harness side and ground.
      Fig 3: Checking PATS Transceiver Receive Circuit 1216 (GY/OG) For Voltage
      GF0004725Courtesy of FORD MOTOR CO.
    • Is the voltage greater than 8 volts? 
    1. YES  : Go to  E6.
    2. NO  : Go to  E4.
  4. E4 CHECK THE PATS TRANSCEIVER RECEIVE CIRCUIT 1216 (GY/OG) FOR A SHORT TO GROUND 
    • Key in OFF position.
    • Disconnect: PCM C175B
    • Disconnect: PATS Transceiver C252
    • Measure the resistance between the PATS transceiver C252-4, circuit 1216 (GY/OG), harness side and ground.
      Fig 4: Checking PATS Transceiver Receive Circuit 1216 (GY/OG) For Short To Ground
      GF0004726Courtesy of FORD MOTOR CO.
    • Is the resistance greater than 10,000 ohms? 
    1. YES  : Go to  E5.
    2. NO  : REPAIR the circuit. CLEAR the DTCs. CYCLE the ignition. REPEAT the self-test. If DTC B1681 is retrieved again, go to  E12 .
  5. E5 CHECK THE PATS TRANSCEIVER RECEIVE CIRCUIT 1216 (GY/OG) FOR AN OPEN 
      Fig 5: Checking PATS Transceiver Receive Circuit 1216 (GY/OG) For Open
      GF0004727Courtesy of FORD MOTOR CO.
    • Measure the resistance between the PATS transceiver C252-4, circuit 1216 (GY/OG), harness side and the PCM C175B-37, circuit 1216 (GY/OG), harness side.
    • Is the resistance less than 5 ohms? 
    1. YES  : Go to  E12.
    2. NO  : REPAIR the circuit. CLEAR the DTCs. CYCLE the ignition. REPEAT the self-test.
  6. E6 CHECK THE PATS TRANSCEIVER TRANSMIT CIRCUIT 1215 (WH/LG) FOR VOLTAGE 
    NOTE: Replacement of the PATS transceiver does not require the PATS keys to be programmed into the PCM again.
    • Measure the voltage by backprobing between the PATS transceiver C252-3, circuit 1215 (WH/LG), harness side and ground.
      Fig 6: Checking PATS Transceiver Transmit Circuit 1215 (WH/LG) For Voltage
      GF0004728Courtesy of FORD MOTOR CO.
    • Is the voltage greater than 8 volts? 
    1. YES  : INSTALL a new PATS transceiver. REFER to Passive Anti-Theft System (PATS) Transceiver  in this article. CLEAR the DTCs. CYCLE the ignition. REPEAT the self-test.

      If DTC B1681 is retrieved again, go to  E12 .

    2. NO  : Go to  E7.
  7. E7 CHECK THE PATS TRANSCEIVER TRANSMIT CIRCUIT 1215 (WH/LG) FOR A SHORT TO GROUND WITH THE PATS TRANSCEIVER CONNECTED 
    • Key in OFF position.
    • Disconnect: PCM C175B
    • Measure the resistance between the PCM C175B-36, circuit 1215 (WH/LG), harness side and ground.
      Fig 7: Checking PATS Transceiver Transmit Circuit 1215 (WH/LG) For Short To Ground
      GF0004729Courtesy of FORD MOTOR CO.
    • Is the resistance greater than 10,000 ohms? 
    1. YES  : Go to  E9.
    2. NO  : Go to  E8.
  8. E8 CHECK THE PATS TRANSCEIVER TRANSMIT CIRCUIT 1215 (WH/LG) FOR A SHORT TO GROUND WITH THE PATS TRANSCEIVER DISCONNECTED 
    NOTE: Replacement of the PATS transceiver does not require the PATS keys to be programmed into the PCM again.
    • Disconnect: PATS Transceiver C252
    • Measure the resistance between the PCM C175B-36, circuit 1215 (WH/LG), harness side and ground.
      Fig 8: Checking PATS Transceiver Transmit Circuit 1215 (WH/LG) For Short To Ground
      GF0004729Courtesy of FORD MOTOR CO.
    • Is the resistance greater than 10,000 ohms? 
    1. YES  : INSTALL a new PATS transceiver. REFER to Passive Anti-Theft System (PATS) Transceiver  in this article. CLEAR the DTCs. CYCLE the ignition. REPEAT the self-test.
    2. NO  : REPAIR the circuit. CLEAR the DTCs. CYCLE the ignition. REPEAT the self-test.
  9. E9 CHECK THE PATS TRANSCEIVER TRANSMIT CIRCUIT 1215 (WH/LG) FOR AN OPEN 
    • Disconnect: PATS Transceiver C252
    • Measure the resistance between the PCM C175B-36, circuit 1215 (WH/LG), harness side and the PATS transceiver C252-3, circuit 1215 (WH/LG), harness side.
      Fig 9: Checking PATS Transceiver Transmit Circuit 1215 (WH/LG) For Open
      GF0004730Courtesy of FORD MOTOR CO.
    • Is the resistance less than 5 ohms? 
    1. YES  : Go to  E10.
    2. NO  : REPAIR the circuit. CLEAR the DTCs. CYCLE the ignition. REPEAT the self-test.
  10. E10 CHECK THE PATS TRANSCEIVER TRANSMIT CIRCUIT 1215 (WH/LG) FOR VOLTAGE 
    NOTE: Replacement of the PATS transceiver does not require the PATS keys to be programmed into the PCM again.
    • Connect: PATS Transceiver C252
    • Connect: PCM C175B
    • Key in ON position.
    • Enter the following diagnostic mode on the diagnostic tool: PCM Active Commands
    • Trigger the active command TRANSMIT to ON.
    • Measure the voltage by backprobing between the PATS transceiver C2007-3, circuit 1215 (WH/LG), harness side and ground.
      Fig 10: Checking PATS Transceiver Transmit Circuit 1215 (WH/LG) For Voltage
      GF0004728Courtesy of FORD MOTOR CO.
    • Is the voltage less than 5 volts? 
    1. YES  : INSTALL a new PATS transceiver module. REFER to Passive Anti-Theft System (PATS) Transceiver  in this article. CLEAR the DTCs. CYCLE the ignition. REPEAT the self-test.
    2. NO  : Go to  E11.
  11. E11 CHECK THE PATS TRANSCEIVER TRANSMIT CIRCUIT 1215 (WH/LG) FOR A SHORT TO VOLTAGE 
    • Key in OFF position.
    • Disconnect: PCM C175B
    • Disconnect: PATS Transceiver C252
    • Key in ON position.
    • Measure the voltage between the PATS transceiver C2007-3, circuit 1215 (WH/LG), harness side and ground.
      Fig 11: Checking PATS Transceiver Transmit Circuit 1215 (WH/LG) For Short To Voltage
      GF0004731Courtesy of FORD MOTOR CO.
    • Is any voltage indicated? 
    1. YES  : REPAIR the circuit. CLEAR the DTCs. CYCLE the ignition. REPEAT the self-test.
    2. NO  : Go to  E12.
  12. E12 CHECK FOR CORRECT PCM OPERATION 
    NOTE: When a new PCM is installed, the PATS keys must be programmed into the PCM.
    • Disconnect all the PCM connectors.
    • Check for:
      • corrosion
      • damaged pins
      • pushed-out pins
    • Connect all the PCM connectors and make sure they seat correctly.
    • Operate the system and verify the concern is still present.
    • Is the concern still present? 
    1. YES  : INSTALL a new PCM. REFER to ELECTRONIC ENGINE CONTROLS article. PROGRAM the PATS keys into the PCM. REFER to Key Programming Using Diagnostic Equipment  in this section. REPEAT the self-test.
    2. NO  : The system is operating correctly at this time. The concern may have been caused by a loose or corroded connector. CLEAR the DTCs. CYCLE the ignition. REPEAT the self-test.