LEMON Manuals: Even more car manuals for everyone: 1960-2025
Home >> Ford >> 2012 >> Transit Connect Base, Van Cargo >> Repair and Diagnosis >> Quick Lookups >> Wiring Diagrams >> OEM Electrical Wiring Diagram Introduction >> Introduction >> Power Distribution
April 5, 2026: LEMON Manuals is launched! Read the announcement.

Power Distribution

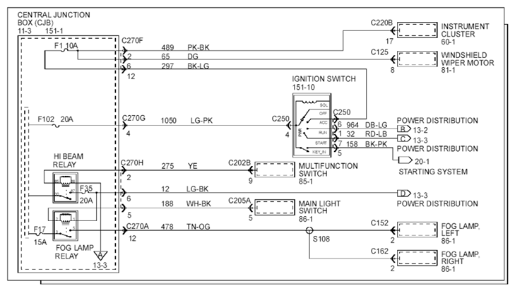
OEM Wiring Diagrams - Power Distribution shows the current feed circuits. The current path is shown in illustration from the battery to the ignition switch and to all fuses. It also shows the circuits protected by each fuse. The circuit is traced from the fuse to the component. All details (wires, splices, connectors) between the fuse and the first component are shown in illustration.

Fig 1: Power Distribution Circuit
G07909201Courtesy of FORD MOTOR CO.