LEMON Manuals: Even more car manuals for everyone: 1960-2025
Home >> Ford >> 2013 >> Edge Sport, AWD >> Repair and Diagnosis (Single Page) >> Quick Lookups >> Wiring Diagrams >> OEM Wiring Diagrams >> Module Communications Network >> Notes
April 5, 2026: LEMON Manuals is launched! Read the announcement.

Module Communications Network: Notes

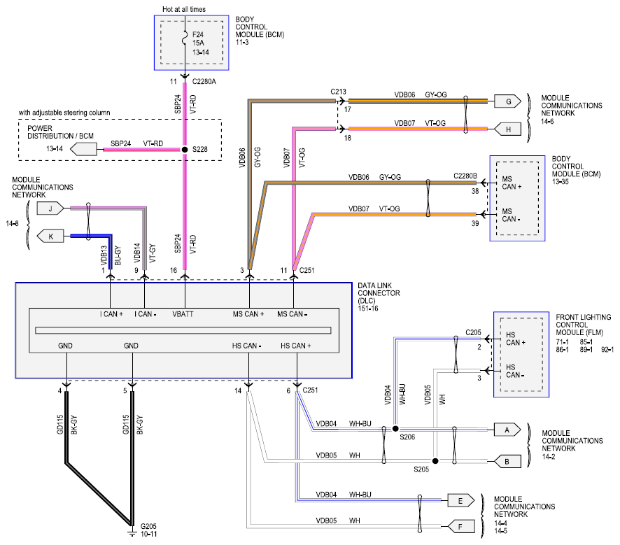
Fig 1: Module Communications Network Circuit Diagram (1 Of 7)
G08726985Courtesy of FORD MOTOR CO.
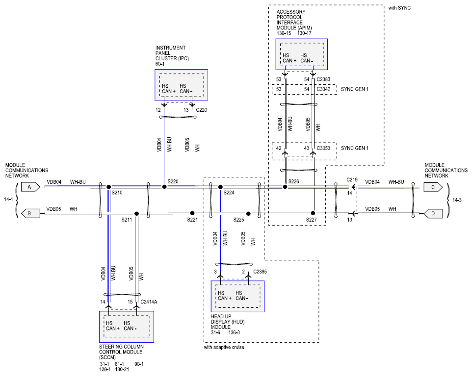
Fig 2: Module Communications Network Circuit Diagram (2 Of 7)
G08726986Courtesy of FORD MOTOR CO.
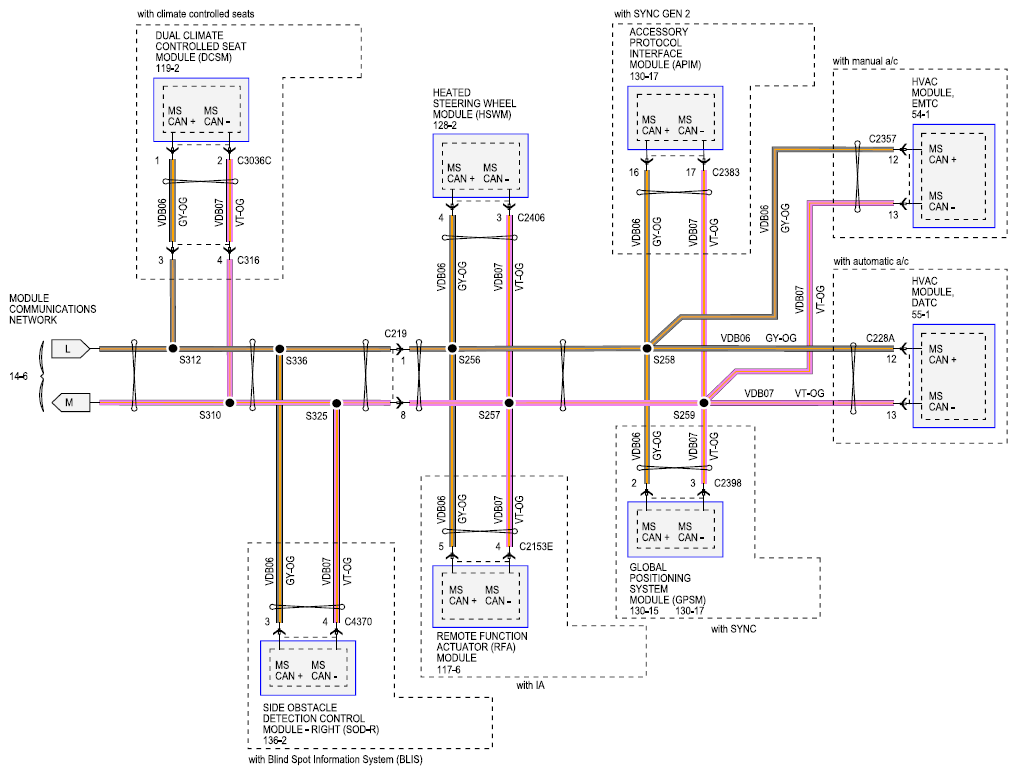
Fig 3: Module Communications Network Circuit Diagram (3 Of 7)
G08726987Courtesy of FORD MOTOR CO.
Fig 4: Module Communications Network Circuit Diagram - (4 Of 7)
G08726990Courtesy of FORD MOTOR CO.
Fig 5: Module Communications Network Circuit Diagram - (5 Of 7)
G08726991Courtesy of FORD MOTOR CO.
Fig 6: Module Communications Network Circuit Diagram - (6 Of 7)
G08726992Courtesy of FORD MOTOR CO.
Fig 7: Module Communications Network Circuit Diagram - (7 Of 7)
G08726993Courtesy of FORD MOTOR CO.