LEMON Manuals: Even more car manuals for everyone: 1960-2025
Home >> Ford >> 2013 >> Explorer Police Interceptor, AWD >> Repair and Diagnosis >> External Pages >> Different car >> Section 87 (Fuel Charging System & Fuel Control System - 6.7L) >> Description And Operation >> Fuel Charging and Controls >> System Diagram >> High-Pressure Fuel System Flow
April 5, 2026: LEMON Manuals is launched! Read the announcement.

High-Pressure Fuel System Flow

WARNING: This page is about a different car, the 2013 Ford F-550 Super Duty, 2013 Ford F-450 Super Duty, 2013 Ford F-350 Super Duty, and 2013 Ford F-250 Super Duty. However, it is still accessible from the selected car via links, so may be relevant.
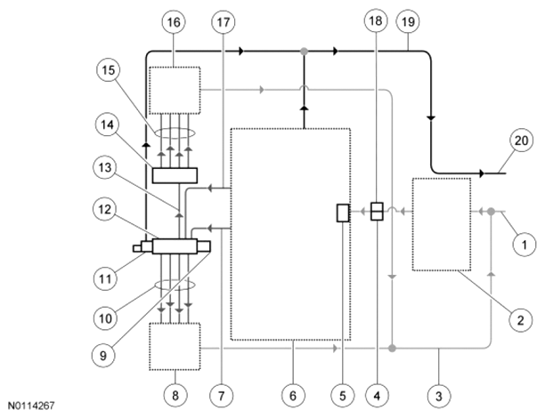
Fig 1: High-Pressure Fuel System Flow - System Diagram
G07481723Courtesy of FORD MOTOR CO.
Item Description
1 Low pressure fuel supply from the diesel fuel conditioning module
2 Engine mounted secondary fuel filter
3 Injector return fuel
4 Fuel pressure switch
5 Fuel volume control valve
6 High-pressure injection pump
7 LH fuel rail supply tube
8 LH fuel injectors (4 required)
9 Fuel rail pressure sensor
10 LH fuel injector supply tubes (4 required)
11 Fuel pressure control valve
12 LH fuel rail
13 RH fuel rail supply tube
14 RH fuel rail
15 RH fuel injector supply tubes (4 required)
16 RH fuel injectors (4 required)
17 LH fuel rail supply tube
18 Fuel temperature sensor
19 Fuel rail and high-pressure injection pump return fuel
20 Low pressure fuel return to the diesel fuel conditioning module