LEMON Manuals: Even more car manuals for everyone: 1960-2025
Home >> Ford >> 2013 >> Mustang Base, 2D Convertible, Automatic Trans >> Repair and Diagnosis (Single Page) >> Electrical >> Body Electrical >> OEM Wiring Diagrams >> Module Communications Network >> Notes
April 5, 2026: LEMON Manuals is launched! Read the announcement.

Module Communications Network: Notes

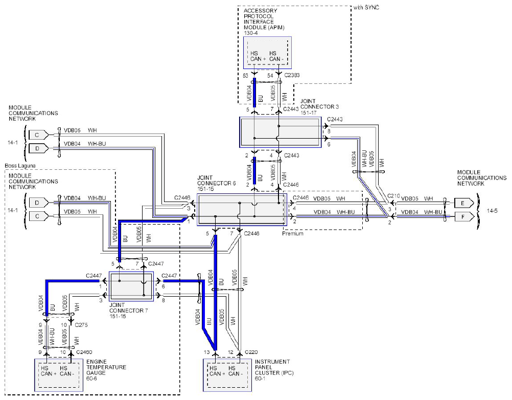
Fig 1: Module Communication Network - Wiring Diagram (1 Of 4)
G09092047Courtesy of FORD MOTOR CO.
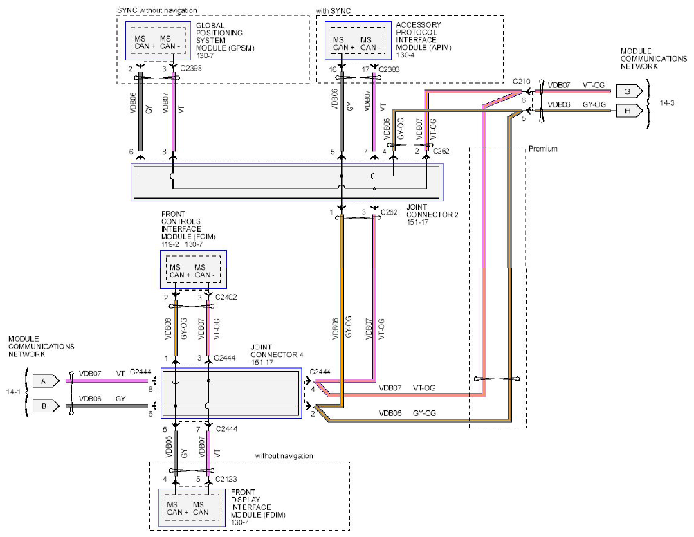
Fig 2: Module Communication Network - Wiring Diagram (2 Of 4)
G09092048Courtesy of FORD MOTOR CO.
Fig 3: Module Communication Network - Wiring Diagram (3 Of 4)
G09092051Courtesy of FORD MOTOR CO.
Fig 4: Module Communication Network - Wiring Diagram (4 Of 4)
G09092052Courtesy of FORD MOTOR CO.